EasyManua.ls Logo

Comprag RDX Series - Electrical Connection

Comprag RDX Series
80 pages
Print Icon
To Next Page IconTo Next Page
To Next Page IconTo Next Page
To Previous Page IconTo Previous Page
To Previous Page IconTo Previous Page
Loading...
17
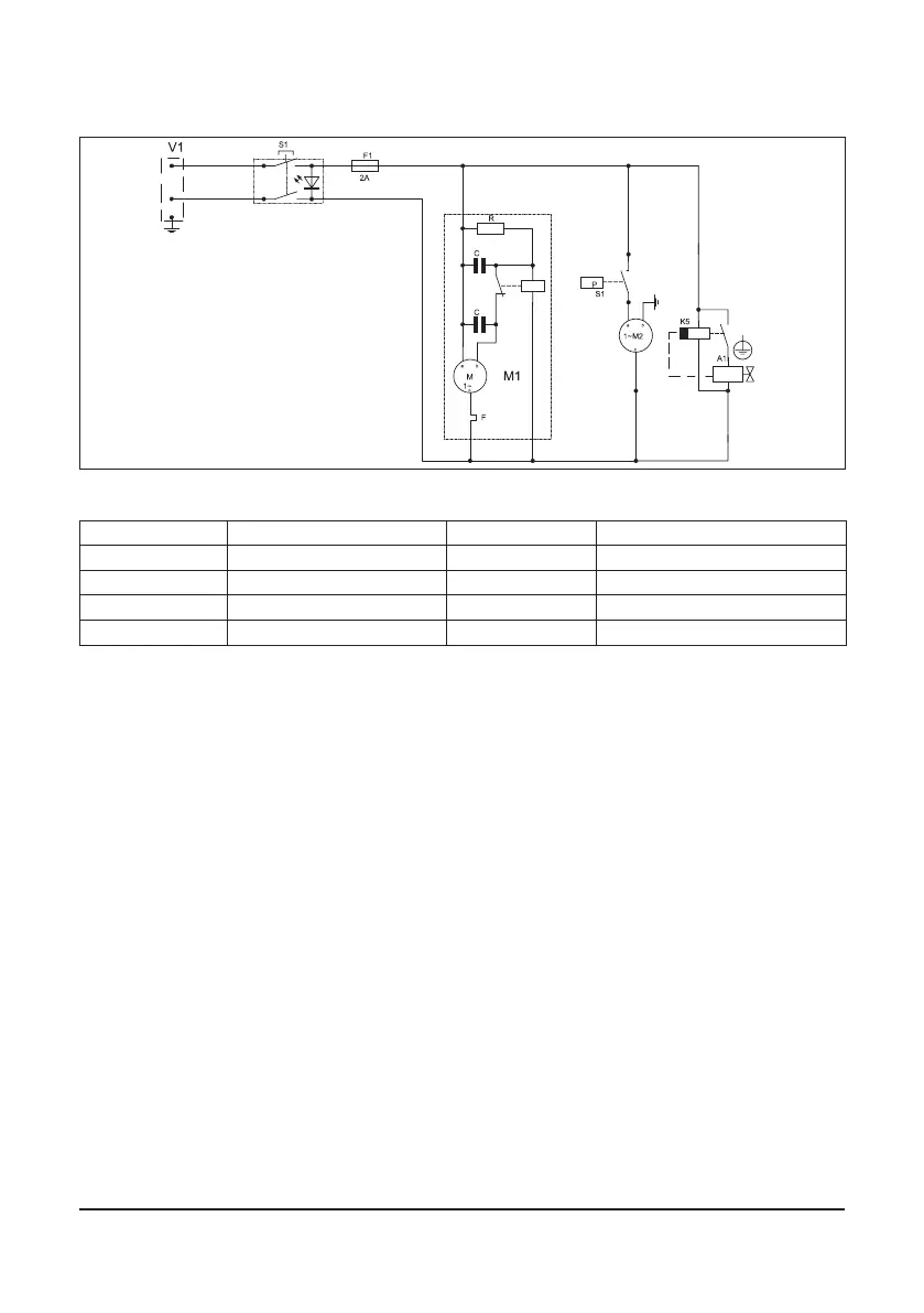
COMPRAG RDX series compressed air refrigerated dryer
К5 Timer M1 Compressor
S1. Start/Stop Button M2 Fan
F1 Fuse A1 Condensate drain valve
V1 Plug S1 Fan pressure switch
F Temperature switch
3.5 Electrical connection
Fig.3.5.1 V.2 Electric schematic diagram RDX 04-77

Table of Contents

Related product manuals