EasyManua.ls Logo

Comprag RDX Series - Page 42

Comprag RDX Series
80 pages
Print Icon
To Next Page IconTo Next Page
To Next Page IconTo Next Page
To Previous Page IconTo Previous Page
To Previous Page IconTo Previous Page
Loading...
42
Version 2.2
N
A
B
C
3 X 380-415VAC
Q1
R
F2
2A
K1
10
11
12
13
HP
LP
EL
C
4
3~
F
M1
K1.1
V1
1
2
6
5
3
PE
Bp
A1
P
S3
P
S2
K2
7
P
S1
T
Ft1
F1 2A
3~M2
K2.1
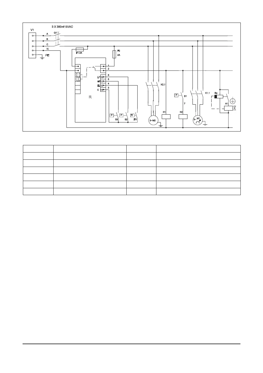
Abb.3.5.3 V.2 Schaltplan RDX 100-360
K1 Schütz V1 Stecker
K2 Schütz S3 Hochdruckschalter
M1 Kompressor S2 Niederdruckschalter
M2 Lüfter Ft1 Temperaturschalter
A1 Kondensatablassventil Q1 Hauptschalter
S1 Druckschalter Lüfter R Controllerplatine
F1, F2 Sicherung Bp Zeitrelais

Table of Contents

Related product manuals