EasyManua.ls Logo

Comrod AT82 - Mounting Options; Mast;Wall Mounting; Mounting to Weld Brackets; Base Mount, Side Feed

Default Icon
6 pages
Print Icon
To Next Page IconTo Next Page
To Next Page IconTo Next Page
To Previous Page IconTo Previous Page
To Previous Page IconTo Previous Page
Loading...
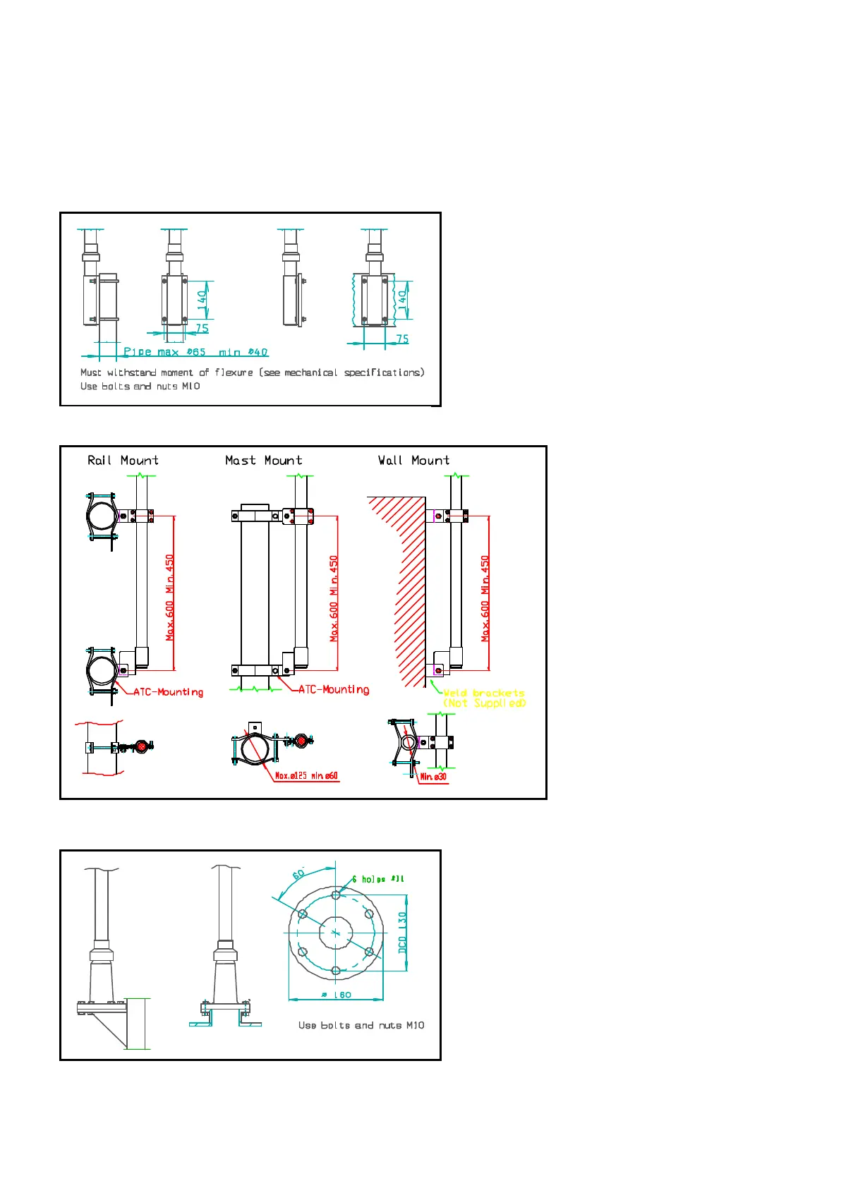
Mast/wall mounting:
Versions: AT82, AT72, AT62
AR82, AR72, AR62
AR82T, AR72T, AR62T
Mounting by means of U-bolts with nuts
(included) or directly on wall or steel plate.
Mounting to weld brackets.
Versions: AT82H
AR82H
Mounting by means of 2 x M10
bolts to weld brackets or to a
mast or rail by means of the
ATC-mounting (included).
Base mount, Side feed:
Versions: AT82D/S, AT72D/S, AT62D/S
AR82D/S, AR72D/S, AR62D/S
AR82D/S/T, AR72D/S/T
AR62D/S/T
Mounting on deck or flange by means of 6 x
M10 bolts.
Mast/wall mounting.
Bracket mount
Base mount,side feed.
Nr: 06-6-018/3
MOUNTING:
Previous/Next