EasyManua.ls Logo

Control Techniques 142UMB300 Unimotor - drive installation; Panel Wiring and EMC Compliance

Control Techniques 142UMB300 Unimotor
57 pages
Print Icon
To Next Page IconTo Next Page
To Next Page IconTo Next Page
To Previous Page IconTo Previous Page
To Previous Page IconTo Previous Page
Loading...
drive installation
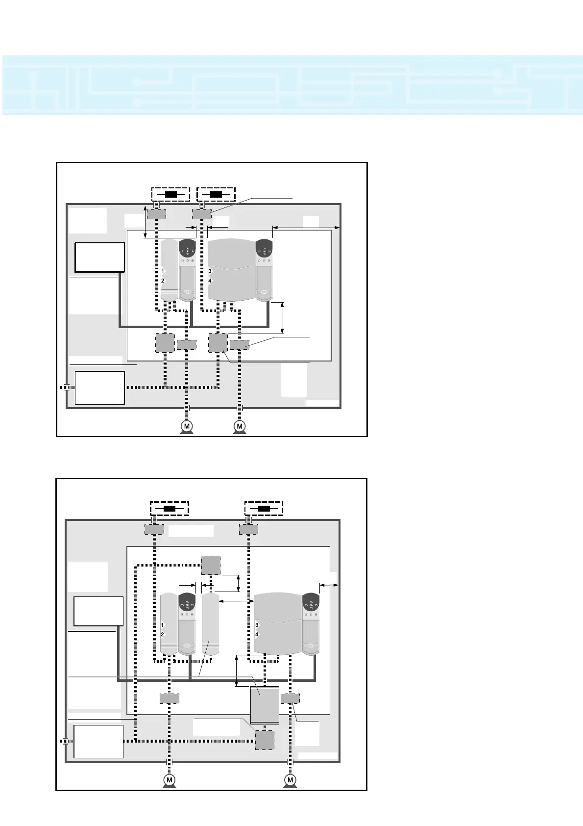
³100mm
(4in)
Optional braking resistors as required for the Drives
External: Mount on top surface of enclosure.
Internal: Mount in top part of enclosure.
System controller
Locate as required.
Signal cables
Plan for all signal
cables to be routed at
least 300mm (12in)
distant from any
power cable.
AC supply isolator,
contactor, and
fuses or MCBs
Locate as required.
Enclosure
Drives
Ensure minimum
clearances are
respected.
Back-plate
³5mm
(…in)
³100mm
(4in)
Alternative
location of
fuses or
MCBs
Locate as
required.
³5mm
(…in)
Power cables
Location
of optional
terminal
block
Location of overload
protection device
Optional braking resistors as required for the Drives
External: Mount on top surface of enclosure.
Internal: Mount in top part of enclosure.
System controller
Locate as required.
Signal cables
Plan for all signal
cables to be routed at
least 300mm (12in)
distant from any power
cable.
RFI filters
Install a separate RFI
filter for each Drive.
AC supply isolator,
contactor, and
fuses or MCBs
Locate as required.
Power cables
Enclosure
Drives and
RFI filters
Ensure minimum
clearances are
respected.
Back-plate
150mm
(6in)
Alternative location of
fuses or MCBs
Locate as required.
³5mm
(…in)
Location
of optional
terminal
block
Location of overload
protection device
³100mm
(4in)
³5mm
(…in)
³5mm
(…in)
Alternative location
of fuses or MCBs
Locate as required.
Consult Drive Centre for Filter details.
Panel Wiring Guidelines for Routine EMC Precautions
Panel Wiring Guidelines for Compliance with EMC Emission Standards
19

Related product manuals