EasyManua.ls Logo

Convair Supercool - Specifications

Convair Supercool
16 pages
Print Icon
To Next Page IconTo Next Page
To Next Page IconTo Next Page
To Previous Page IconTo Previous Page
To Previous Page IconTo Previous Page
Loading...
As a policy of continual product improvement, this manual, its contents and specifications are subject to change without notice.
13
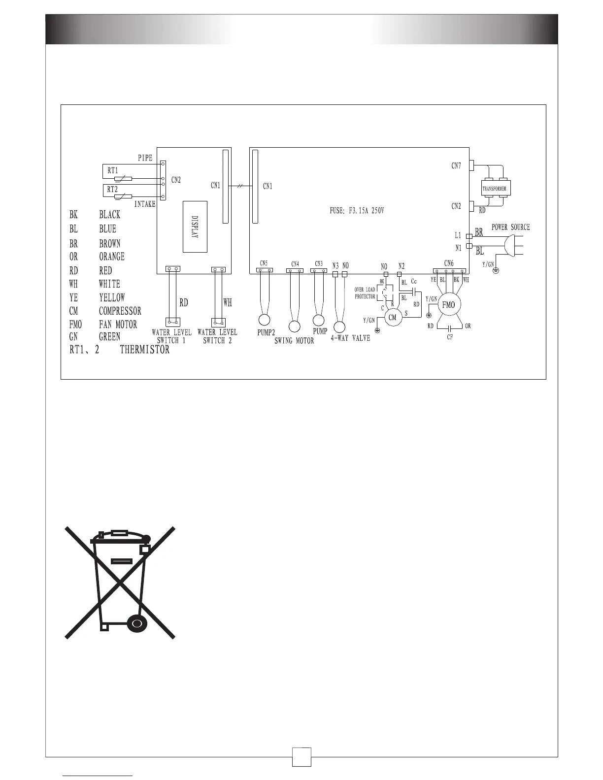
Supercool TRC wiring diagram
GN
CC = compressor capacitor 25uF, 450V (Supercool NR)
30uF, 450V (Supercool TRB, TRC, TRX)
CF = fan capacitor 4uF, 450V
Waste electrical products must not be disposed of with
household waste. This product should be taken to your local
recycling centre for safe treatment.
SPECIFICATIONS

Related product manuals