EasyManua.ls Logo

Cornelius Energize 5 - Overall Circuit Diagram

Cornelius Energize 5
33 pages
Print Icon
To Next Page IconTo Next Page
To Next Page IconTo Next Page
To Previous Page IconTo Previous Page
To Previous Page IconTo Previous Page
Loading...
Energize R134a 60Hz
Manual operation undercounter cooler
Energize R134a 60Hz
Page 25
Cornelius Deutschland GmbH
Document no: TD1005601EN
Version A, 24.09.2019, Index 0
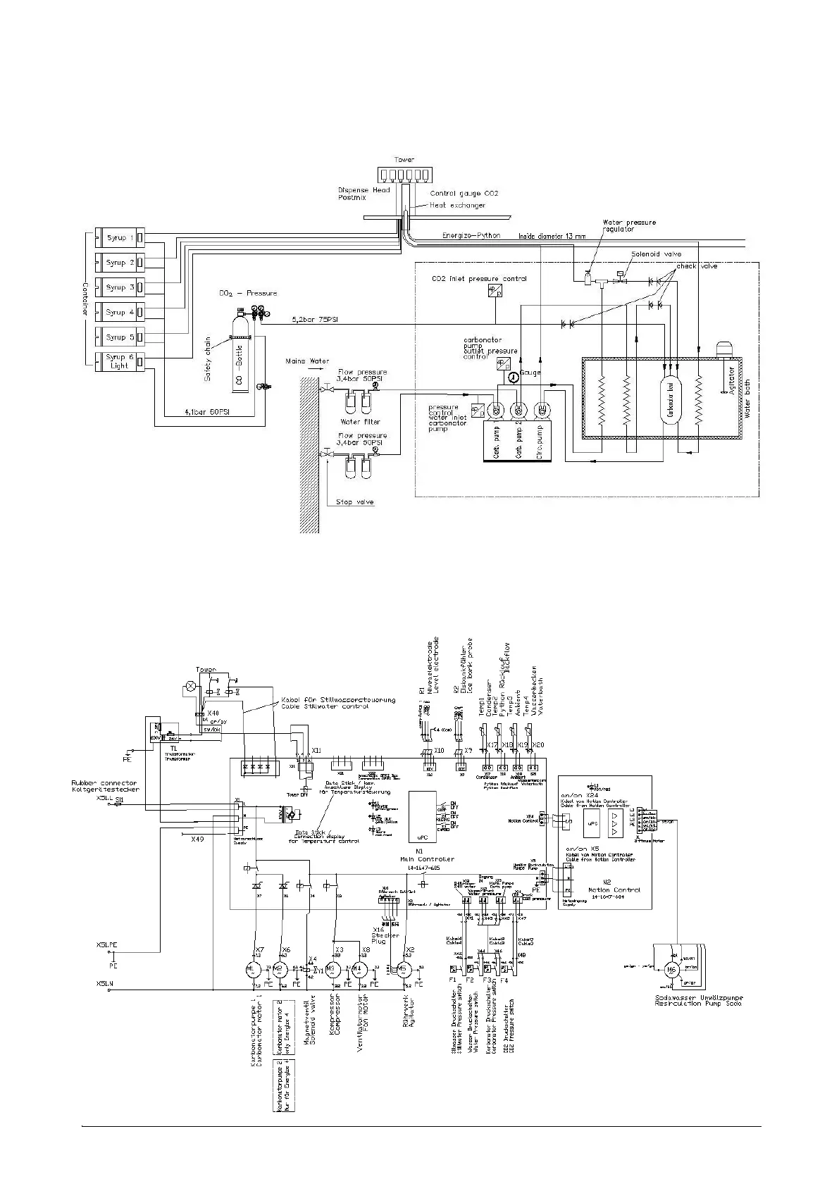
12.3 Flow Chart Energize 5 single recirculation
12.4 Circuit diagram

Table of Contents

Other manuals for Cornelius Energize 5

Related product manuals