EasyManua.ls Logo

Cornelius Energize 5 - Energize 4 Exploded View and Parts

Cornelius Energize 5
33 pages
Print Icon
To Next Page IconTo Next Page
To Next Page IconTo Next Page
To Previous Page IconTo Previous Page
To Previous Page IconTo Previous Page
Loading...
 Energize R134a 60Hz
Manual operation undercounter cooler
Energize R134a 60Hz
Page 28
Cornelius Deutschland GmbH
Document no: TD1005601EN
Version A, 24.09.2019, Index 0
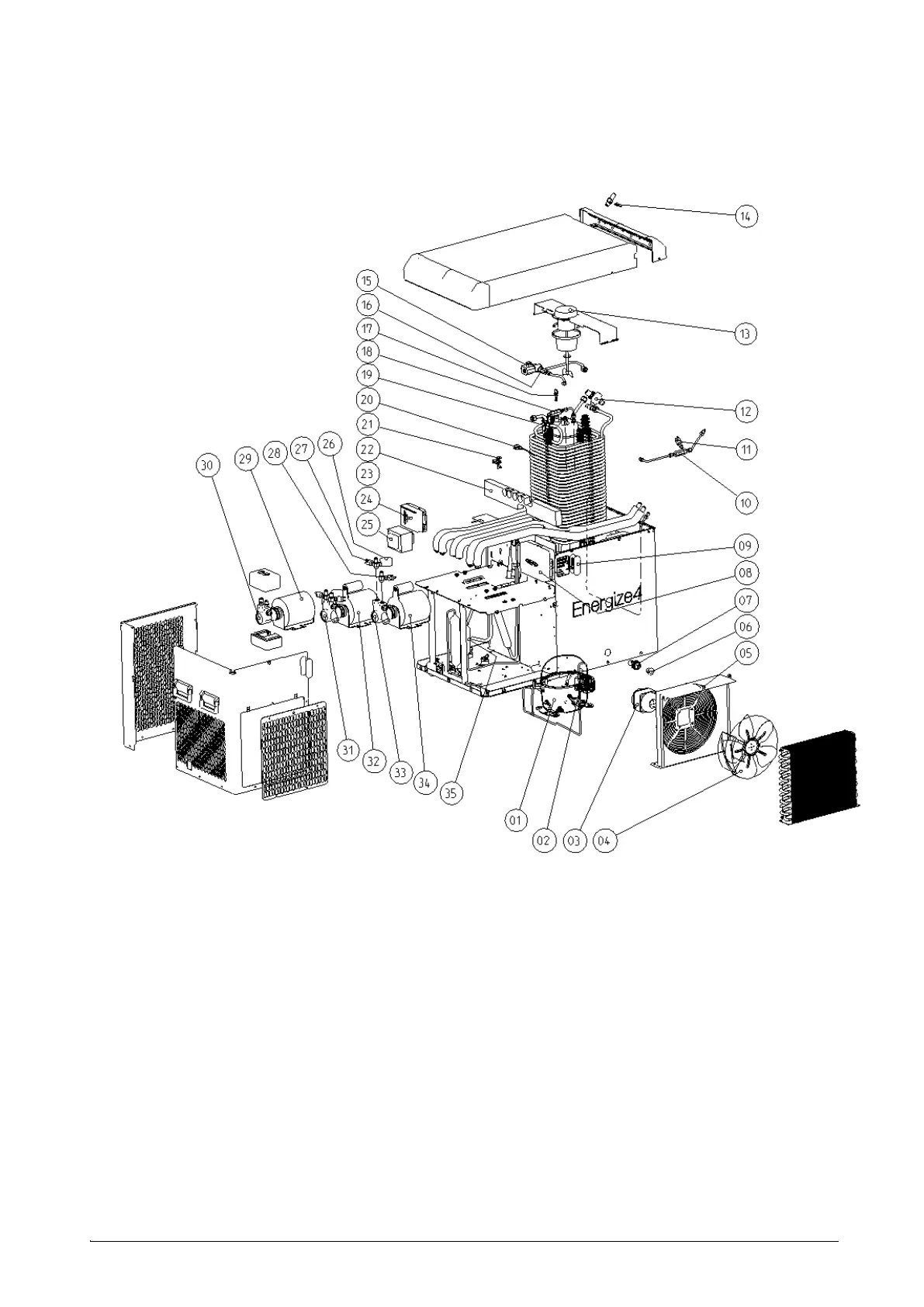
13.2 Energize 4

Table of Contents

Other manuals for Cornelius Energize 5

Related product manuals