EasyManua.ls Logo

Cornelius Linus 120 - Circuit Diagram

Cornelius Linus 120
21 pages
Print Icon
To Next Page IconTo Next Page
To Next Page IconTo Next Page
To Previous Page IconTo Previous Page
To Previous Page IconTo Previous Page
Loading...
Linus
24
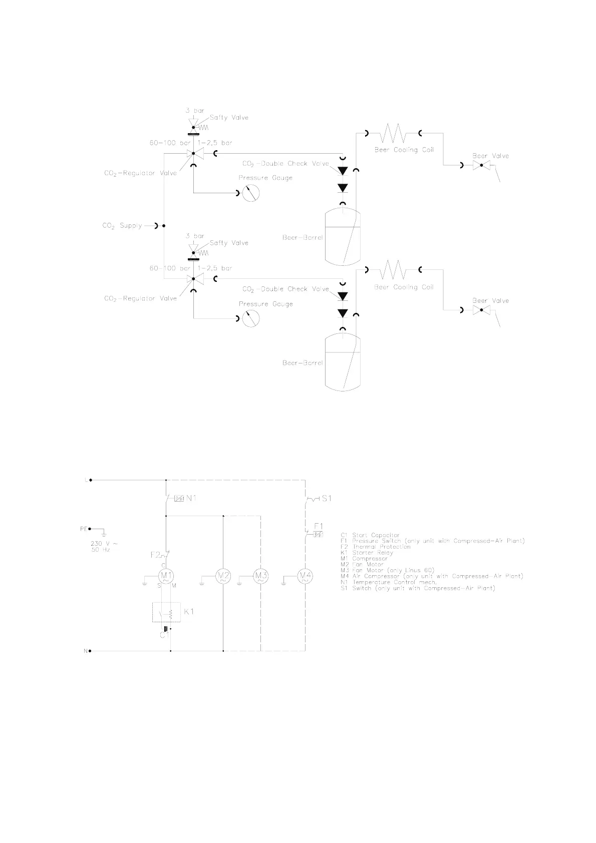
12.3 Flow Cart with Regulator Valve for Units with Double Valve
!
13. Circuit Diagram
13.1 Circuit Diagram for Units with mechanical Controller

Related product manuals