EasyManua.ls Logo

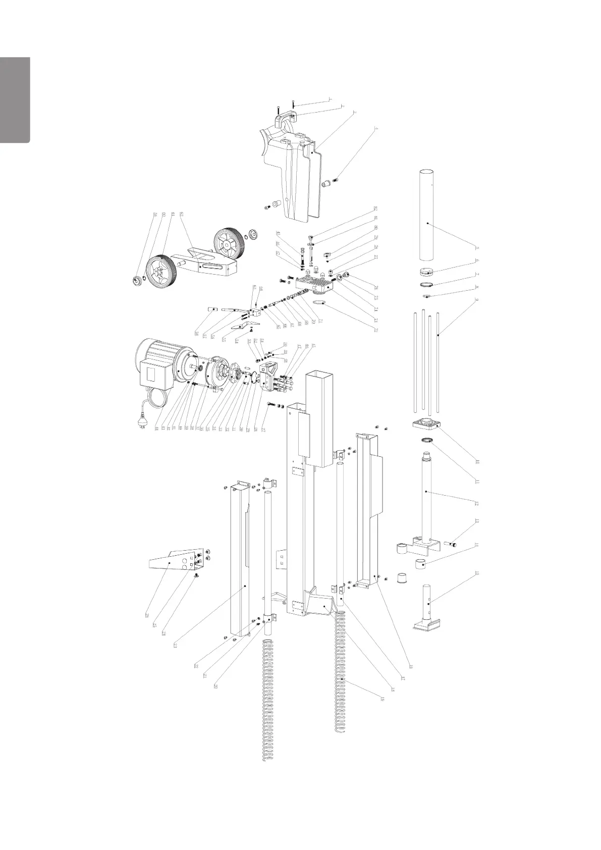
Cotech LS5T-52-UK - List of components

Cotech LS5T-52-UK
60 pages
Print Icon
To Next Page IconTo Next Page
To Next Page IconTo Next Page
To Previous Page IconTo Previous Page
To Previous Page IconTo Previous Page
Loading...
12
ENGLISH
List of components

Related product manuals