EasyManua.ls Logo

Cover Pools T3 Evo - Embrague Deslizante; Funcionamiento del Apagado Automático; Sección 4. Instrucciones de Los Componentes

Cover Pools T3 Evo
62 pages
Print Icon
To Next Page IconTo Next Page
To Next Page IconTo Next Page
To Previous Page IconTo Previous Page
To Previous Page IconTo Previous Page
Loading...
Página 49
Cubierta automática para piscina Cover-Pools
®
T3 Evo
| Manual del propietario ESPAÑOL
Sección 4. Instrucciones de los
componentes
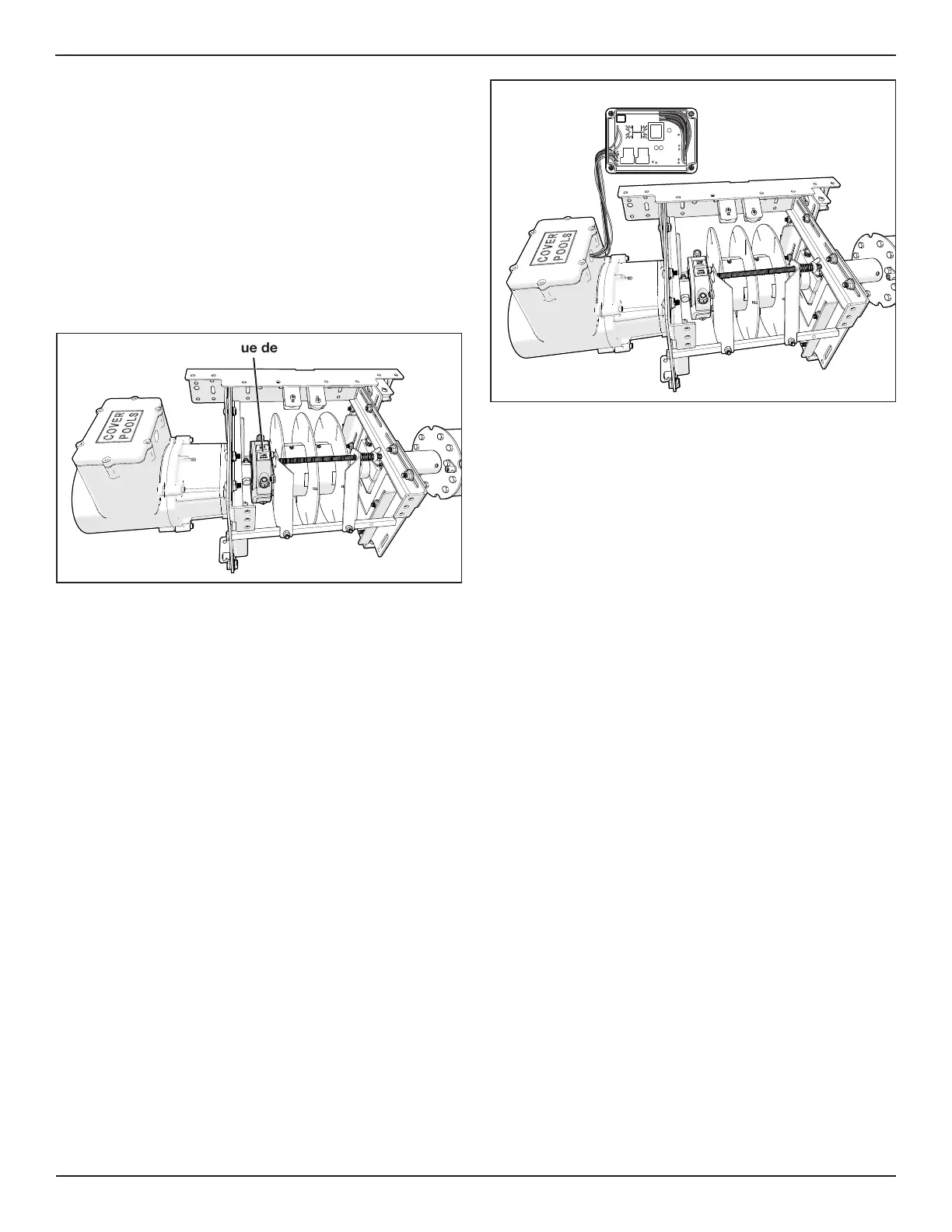
4.1 Embrague deslizante
Algunas unidades incluyen un embrague deslizante
cuya función consiste en deslizarse si la cubierta se
aleja demasiado en cualquier dirección, con el fin
de evitar posibles daños a los componentes de la
cubierta. Mientras usa la cubierta, puede detenerla
y cambiar de dirección en cualquier lugar entre la
posición totalmente abierta o totalmente cerrada.
Embrague deslizanteEmbrague deslizante
Figura 1. Ubicación del embrague deslizante
Si la cubierta deja de funcionar, se debe a que
hay algo que opone resistencia (como agua en la
cubierta, residuos o contaminación en los rieles) o
algo dañado en el sistema. Retire cualquier exceso
de agua o suciedad e intente cambiar de dirección.
Si la cubierta se mueve, continúe usándola. Si no se
mueve más en la dirección deseada, llame al técnico
de mantenimiento o consulte la Sección10: Solución
de problemas y reparaciones avanzadas.
4.2 Funcionamiento del apagado
automático
Si la cubierta se instaló con un panel de control con
apagado automático, la cubierta se apagará cuando
haya alcanzado la posición completamente abierta
o cerrada. Esto evita que la cubierta se desborde en
cualquier dirección y pueda sufrir daños. Asegúrese
de que la cubierta se abra y cierre de manera
uniforme para que el apagado automático funcione
correctamente. Mientras usa la cubierta, puede
detenerla y cambiar de dirección en cualquier lugar
entre la posición totalmente abierta o totalmente
cerrada.
Apagado automático Apagado automático
con limitador de con limitador de
amperajeamperaje
Figura 2. Apagado automático con limitador de
amperaje
Una vez que la cubierta se haya apagado
automáticamente en una dirección, solo podrá
hacerla funcionar en la dirección opuesta. Además,
el control de apagado automático tiene un tope
de amperaje ajustable que apagará el motor si la
cubierta de la piscina encuentra una resistencia
significativa durante su funcionamiento.
Si la cubierta deja de funcionar, se debe a que
hay algo que opone resistencia (como agua en la
cubierta, residuos o contaminación en los rieles) o
algo dañado en el sistema. Retire cualquier exceso
de agua o suciedad e intente cambiar de dirección.
Si la cubierta se mueve, continúe usándola. Si no se
mueve más en la dirección deseada, llame al técnico
de mantenimiento o consulte la Sección10.2.
NOTA: Si se interrumpió la alimentación eléctrica del
control, el sistema no funcionará hasta que se
restablezca. Una vez que eso suceda, existe la
posibilidad de desbordar la cubierta si el control
se activa en la dirección incorrecta. Una vez que
la cubierta se mueva en la dirección correcta
algunos centímetros, se restablecerá la secuencia
de apagado y no habrá desbordamientos.

Table of Contents