EasyManua.ls Logo

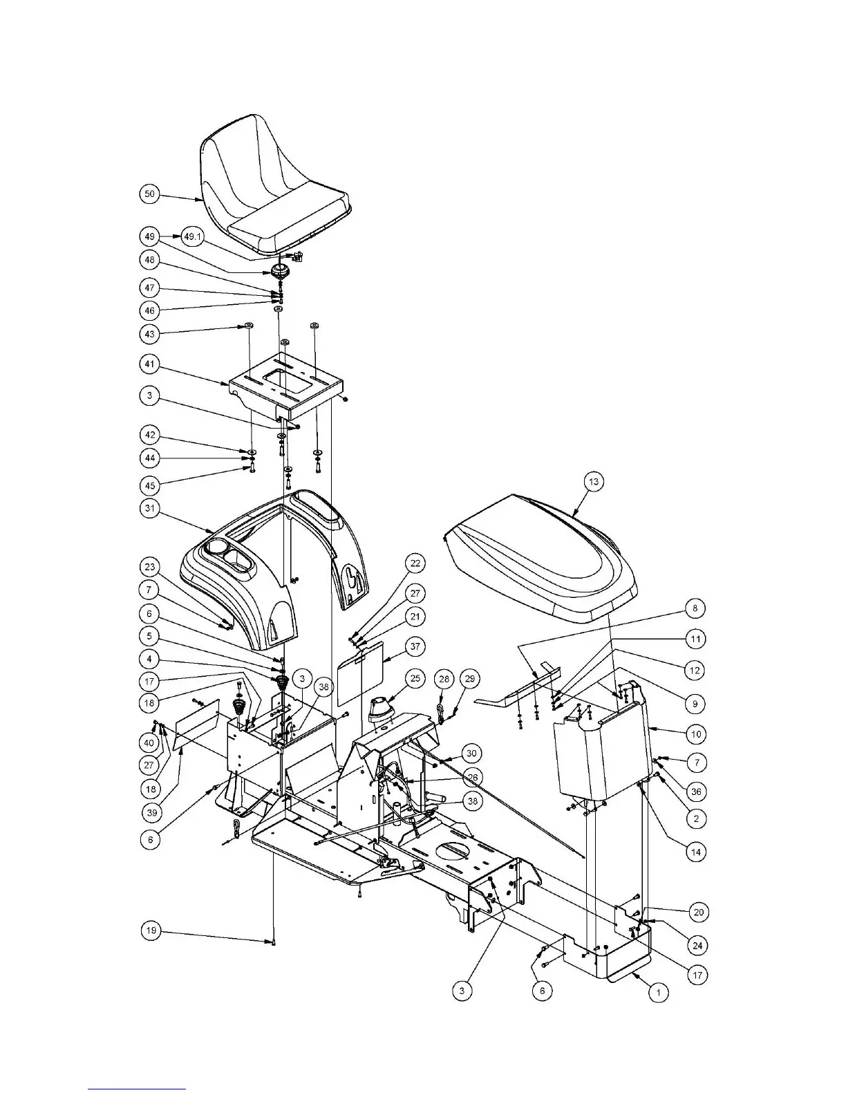
COX 16.5HP - Chassis & Components 16 HP HONDA ONLY

COX 16.5HP
50 pages
Print Icon
To Next Page IconTo Next Page
To Next Page IconTo Next Page
To Previous Page IconTo Previous Page
To Previous Page IconTo Previous Page
Loading...
11 June 2015 Page 16 Rev6 05/04/13
Owners Manual for Lawn Boss Models A14011M A14111M
Chassis & Components 16HP HONDA ONLY for serial nos from CR9604T S/N 456, CR9606S S/N 2098

Related product manuals