EasyManua.ls Logo

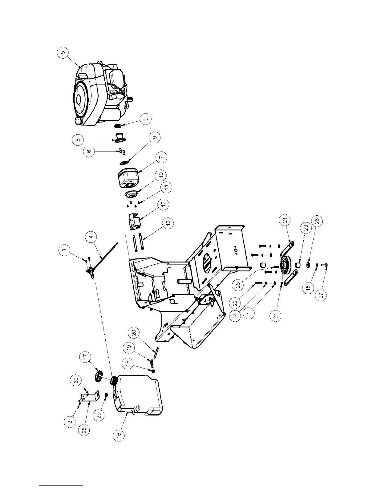
COX 16.5HP - Engine Ancillary Components B&S ONLY

COX 16.5HP
50 pages
Print Icon
To Next Page IconTo Next Page
To Next Page IconTo Next Page
To Previous Page IconTo Previous Page
To Previous Page IconTo Previous Page
Loading...
11 June 2015 Page 26 Rev6 05/04/13
Owners Manual for Lawn Boss Models A14011M A14111M
Engine Ancillary Components B&S ONLY

Related product manuals