EasyManua.ls Logo

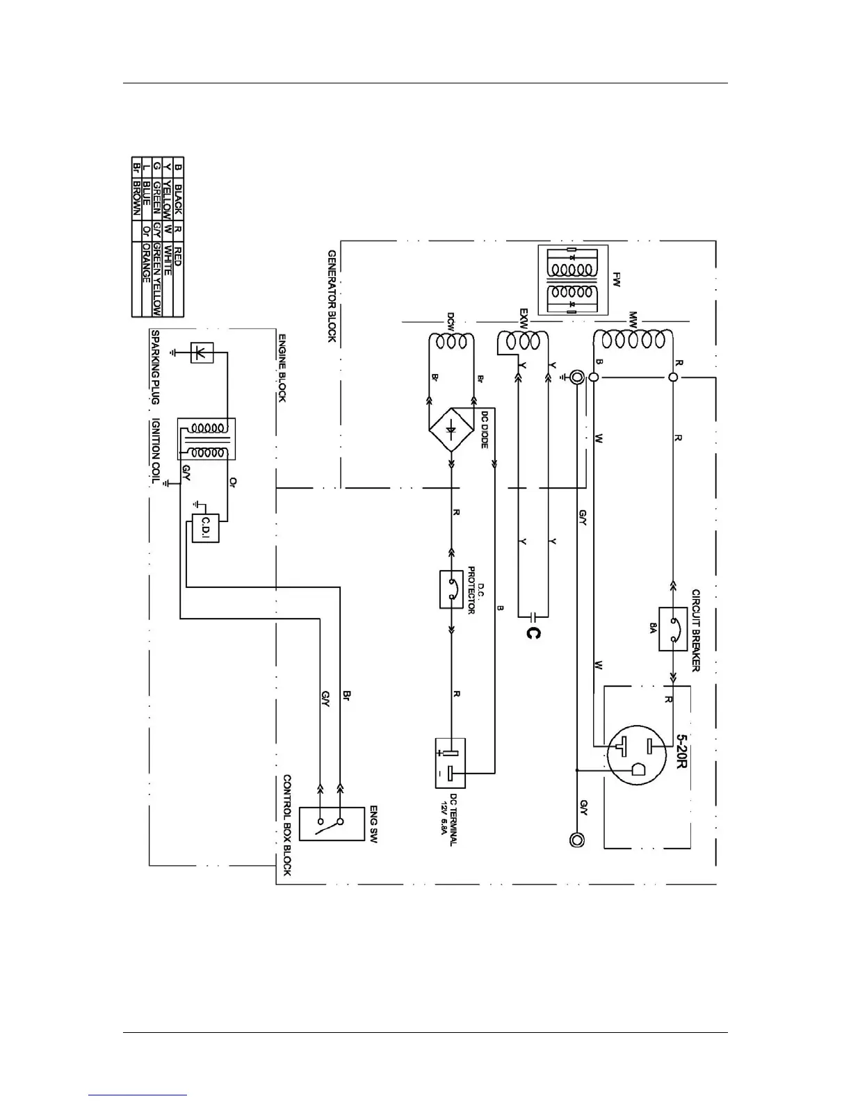
CPE 2 STROKE GENERATOR - Wiring Diagram

CPE 2 STROKE GENERATOR
27 pages
Print Icon
To Next Page IconTo Next Page
To Next Page IconTo Next Page
To Previous Page IconTo Previous Page
To Previous Page IconTo Previous Page
Loading...
Specifications
Rev 42011-20090428 17
Wiring Diagram

Related product manuals