EasyManua.ls Logo

Craftsman 37410 - BRIGGS & STRATTON ENGINE COMPONENTS

Craftsman 37410
52 pages
Print Icon
To Next Page IconTo Next Page
To Next Page IconTo Next Page
To Previous Page IconTo Previous Page
To Previous Page IconTo Previous Page
Loading...
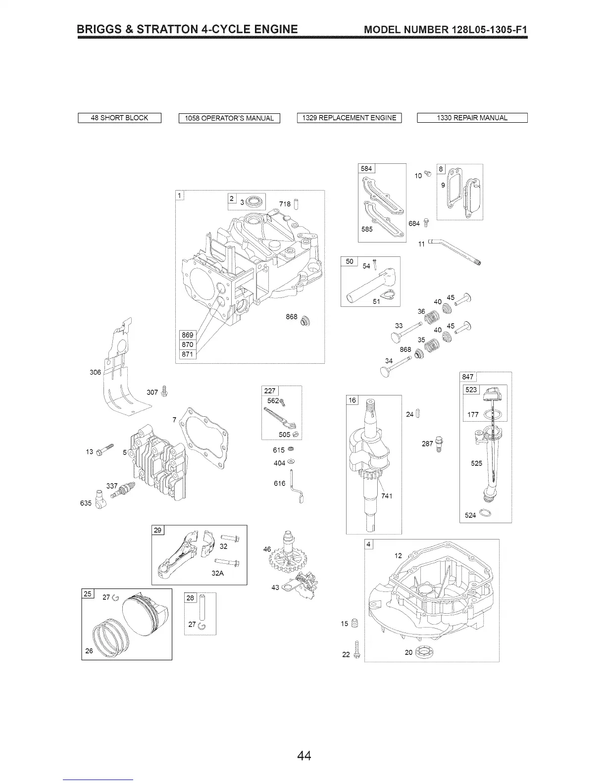
BRIGGS & STRATTON 4-CYCLE ENGINE MODEL NUMBER 128L05-1305-F1
I 48 SHORT BLOCK I I1058OPERATOR'SMANUALI 1329 REPLACEMENT ENGINE I [ 1330 REPAIR MANUAL
13 _ 5(
635
251 27 (#
L
[ 718 j
iss2_
505 @ :
616
--5__ 54
_:"i
16J F_#1,,,,,
E
741
J
12
22 _
10_b
684 _
.-<:_
24
847
524 _'_
44

Related product manuals