EasyManua.ls Logo

Craftsman 79960 - Page 38

Craftsman 79960
44 pages
Print Icon
To Next Page IconTo Next Page
To Next Page IconTo Next Page
To Previous Page IconTo Previous Page
To Previous Page IconTo Previous Page
Loading...
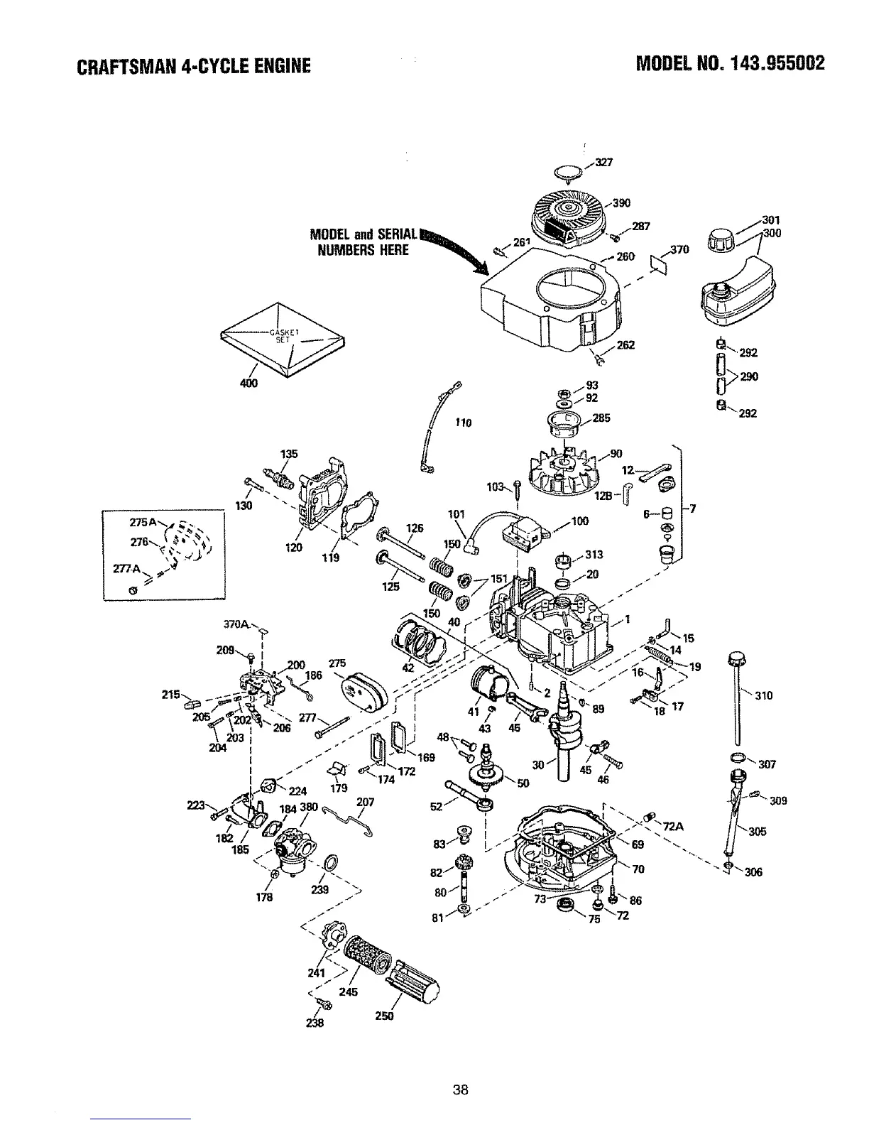
CRAFTSMAN4-CYCLEENGINE : MODELNO. 143,955002
276",-._. ,
277,A.,_ _=._'_
400
130
135
120
MODELandSERIALIZe.
NUMBERSHERE
11287
370
260
.262
119
125
126
7-301
" 292
29O
I_'_ 292
-7
241_
38