EasyManua.ls Logo

Craftsman 917.271821 - Engine Component Parts

Craftsman 917.271821
60 pages
Print Icon
To Next Page IconTo Next Page
To Next Page IconTo Next Page
To Previous Page IconTo Previous Page
To Previous Page IconTo Previous Page
Loading...
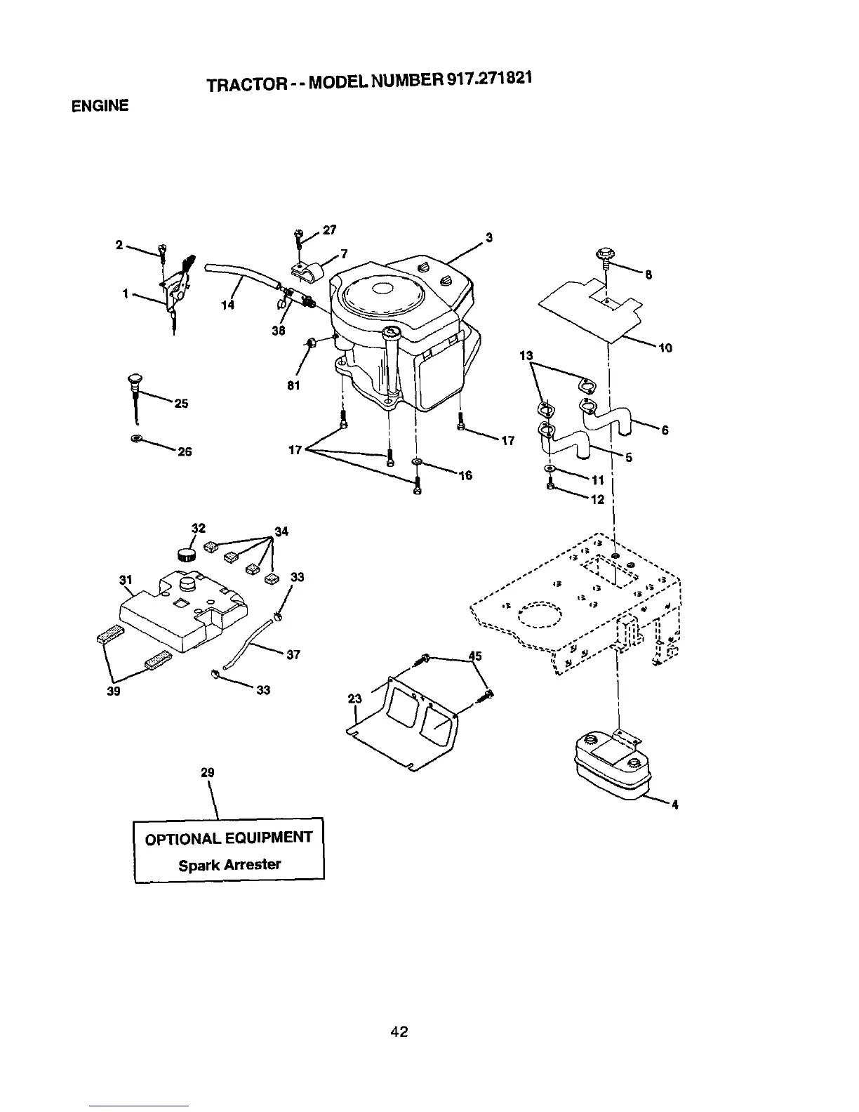
TRACTOR-- MODEL NUMBER 917.271821
ENGINE
39
29
OPTIONAL EQUIPMENT I
Spark Arrester
42

Table of Contents

Related product manuals