EasyManua.ls Logo

Craftsman 917.275821 - Page 38

Craftsman 917.275821
56 pages
Print Icon
To Next Page IconTo Next Page
To Next Page IconTo Next Page
To Previous Page IconTo Previous Page
To Previous Page IconTo Previous Page
Loading...
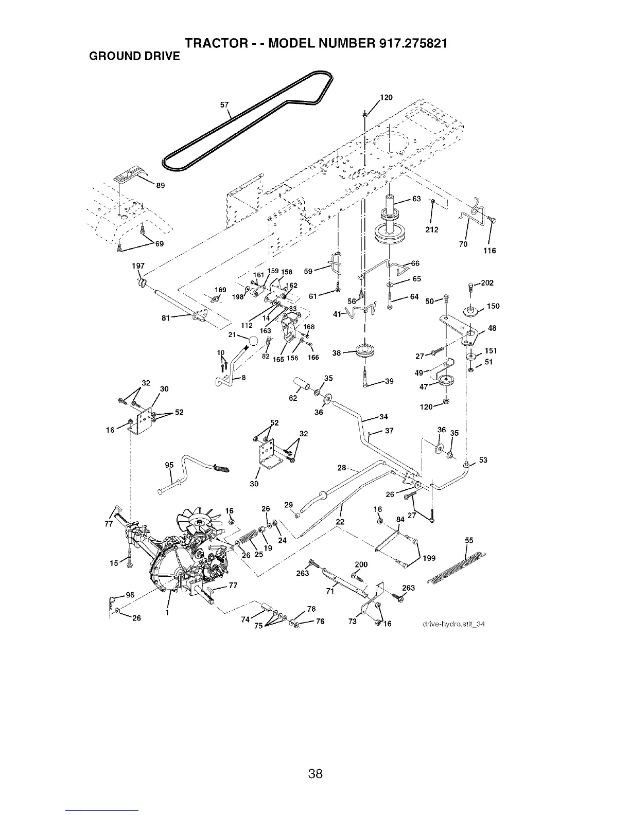
TRACTOR - - MODEL NUMBER 917.275821
GROUND DRIVE
30
52
77
32
30
36
120"_
36 35
55
drive-hydro,stlt 34
38

Table of Contents

Related product manuals