EasyManua.ls Logo

Craftsman 917.275821 - Page 42

Craftsman 917.275821
56 pages
Print Icon
To Next Page IconTo Next Page
To Next Page IconTo Next Page
To Previous Page IconTo Previous Page
To Previous Page IconTo Previous Page
Loading...
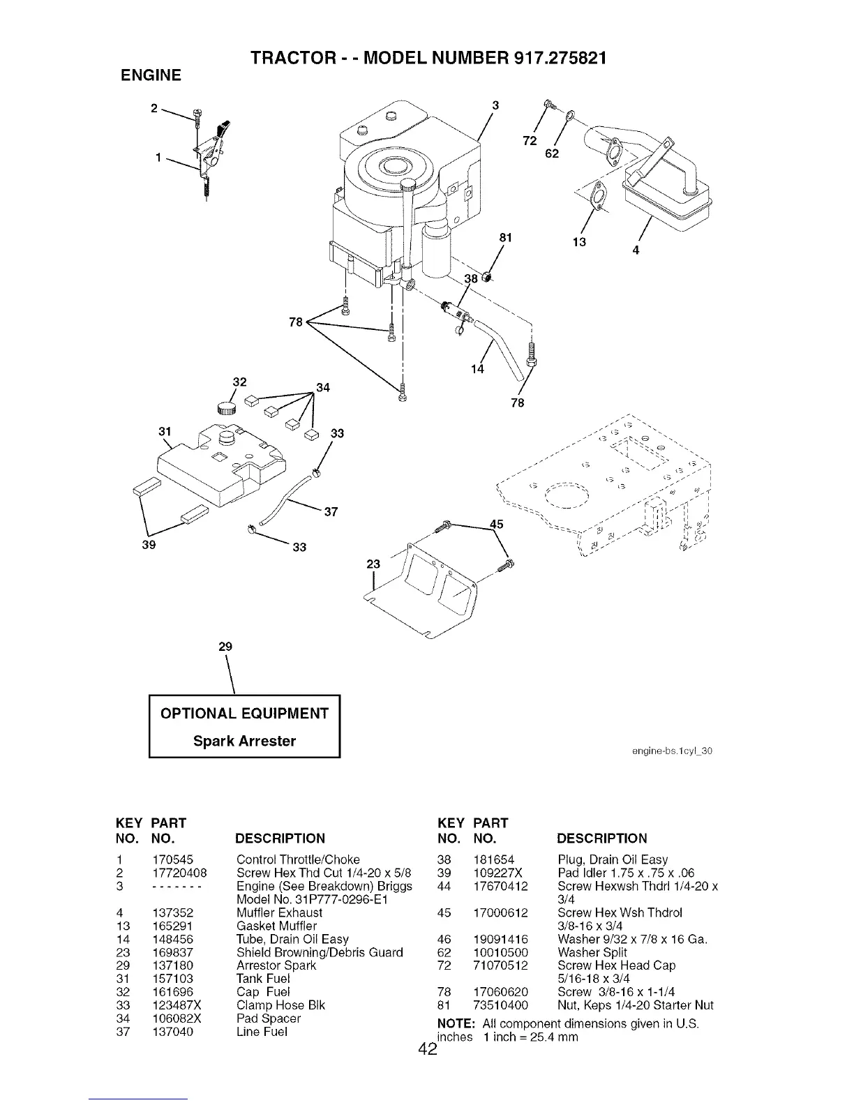
ENGINE
2
1
31
39
TRACTOR - - MODEL NUMBER 917.275821
i
32 78_
33
23
81
72
62
14
29
OPTIONAL EQUIPMENT
Spark Arrester
engine-bs.lcyl 30
KEY PART
NO. NO.
1 170545
2 17720408
3
4 137352
13 165291
14 148456
23 169837
29 137180
31 157103
32 161696
33 123487X
34 106082X
37 137040
DESCRIPTION
Control Throttle/Choke
Screw Hex Thd Cut 1/4-20 x 5/8
Engine (See Breakdown) Briggs
Model No. 31P777-0296-E1
Muffler Exhaust
Gasket Muffler
Tube, Drain Oil Easy
Shield Browning/Debris Guard
Arrestor Spark
Tank Fuel
Cap Fuel
Clamp Hose BIk
Pad Spacer
Line Fuel
KEY PART
NO. NO. DESCRIPTION
38 181654 Plug, Drain Oil Easy
39 109227X Pad Idler 1.75 x .75 x .06
44 17670412 Screw Hexwsh Thdrl 1/4-20 x
3/4
45 17000612 Screw Hex Wsh Thdrol
3/8-16 x 3/4
46 19091416 Washer 9/32 x 7/8 x 16 Ga.
62 10010500 Washer Split
72 71070512 Screw Hex Head Cap
5/16-18 x 3/4
78 17060620 Screw 3/8-16 x 1-1/4
81 73510400 Nut, Keps 1/4-20 Starter Nut
NOTE: All component dimensions given in U.S.
inches 1 inch = 25.4 mm
42

Table of Contents

Related product manuals