EasyManua.ls Logo

Craftsman 917.370430 - Briggs & Stratton 4-Cycle Engine Model Number 126 M02-1525-F1

Craftsman 917.370430
48 pages
Print Icon
To Next Page IconTo Next Page
To Next Page IconTo Next Page
To Previous Page IconTo Previous Page
To Previous Page IconTo Previous Page
Loading...
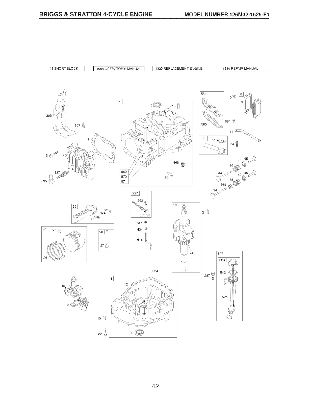
BRIGGS & STRATTON 4=CYCLE ENGINE MODEL NUMBER 126M02=1525-F1
306
i
fl, 'fl)' 307
7
13U
27 l_(_
[
12
718
89
615
404 ¢:_')
616 i
524
4O
36
24
42

Related product manuals