EasyManua.ls Logo

Craftsman 917.387321 - Page 34

Craftsman 917.387321
40 pages
Print Icon
To Next Page IconTo Next Page
To Next Page IconTo Next Page
To Previous Page IconTo Previous Page
To Previous Page IconTo Previous Page
Loading...
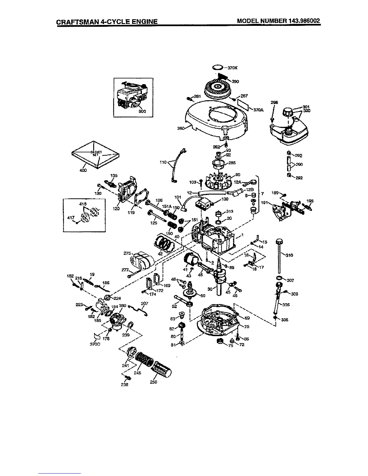
CRAFTSMAN 4.-CYCLE ENGINE MODEL NUMBER.,,, ,,143.986002
_251
135
275.
298

Related product manuals