EasyManua.ls Logo

Craftsman 917.388021 - Repair Parts Identification

Craftsman 917.388021
24 pages
Print Icon
To Next Page IconTo Next Page
To Next Page IconTo Next Page
To Previous Page IconTo Previous Page
To Previous Page IconTo Previous Page
Loading...
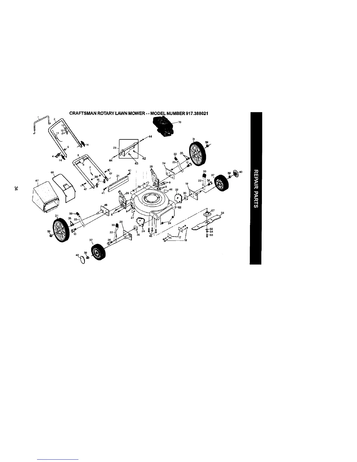
CRAFTSMAN ROTARYLAWN MOWER - - MODEL NUMBER 917.388021
31
10
37
\
27

Related product manuals