EasyManua.ls Logo

Craftsman 917 - Engine

Craftsman 917
60 pages
Print Icon
To Next Page IconTo Next Page
To Next Page IconTo Next Page
To Previous Page IconTo Previous Page
To Previous Page IconTo Previous Page
Loading...
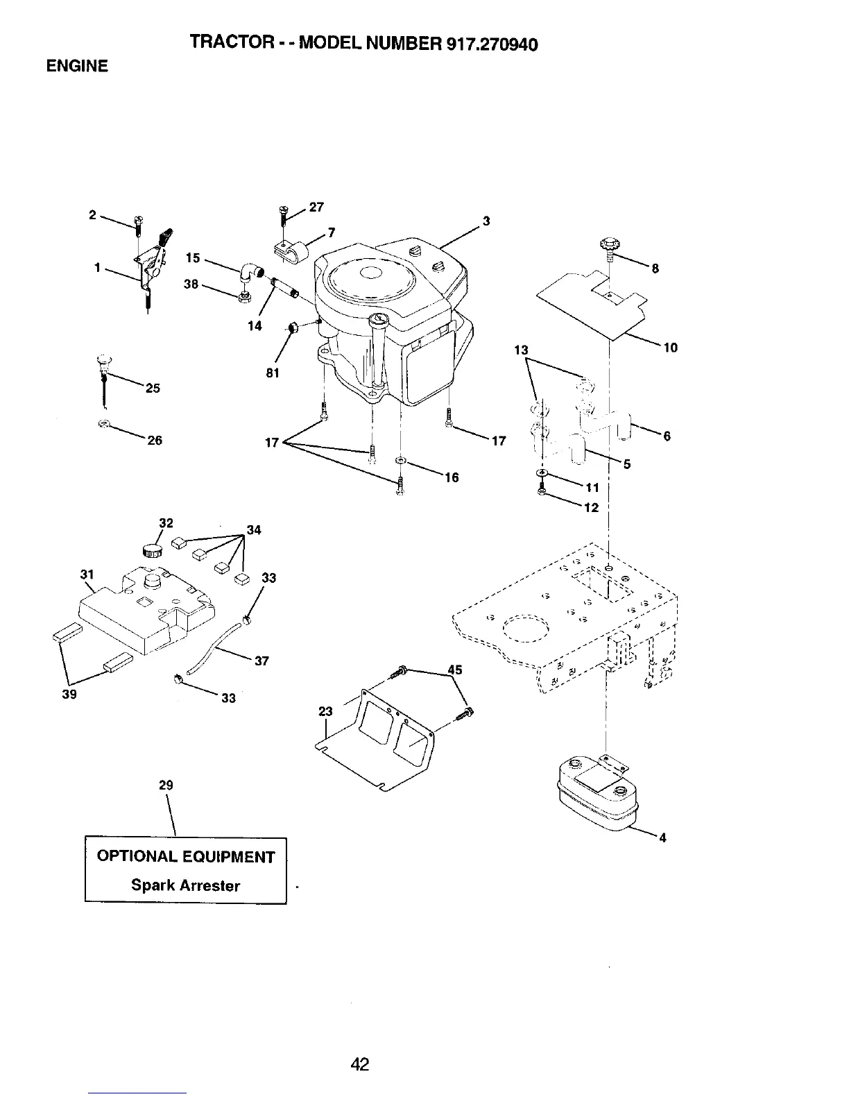
ENGINE
TRACTOR - - MODEL NUMBER 917.270940
31
39
14
3
13
32
37
23
I
29
OPTIONAL EQUIPMENT
Spark Arrester
42

Table of Contents