EasyManua.ls Logo

Craig CMP1230F - Display Indicators

Craig CMP1230F
17 pages
Print Icon
To Next Page IconTo Next Page
To Next Page IconTo Next Page
To Previous Page IconTo Previous Page
To Previous Page IconTo Previous Page
Loading...
7
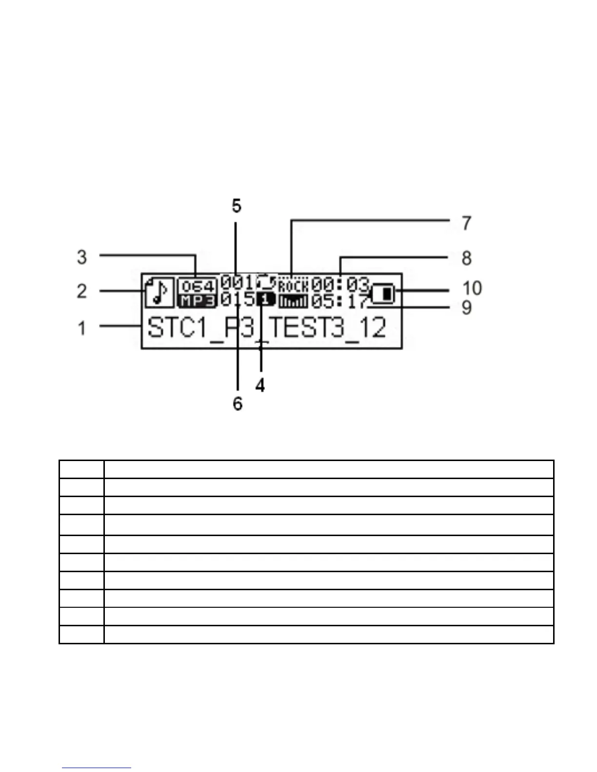
Indicators on the display:
When a song is selected, the following screen will appear on the
display.
1 Current Song’s Name and Information
2 Lyric Indicator
3 Format and Bitrate of Current Track
4 Repeat mode
5 Current Track Number.
6 Total Number of Tracks.
7 EQ Mode
8 Elapsed Time of Current Track
9 Total Time of Current Track
10 Battery power meter

Related product manuals