EasyManua.ls Logo

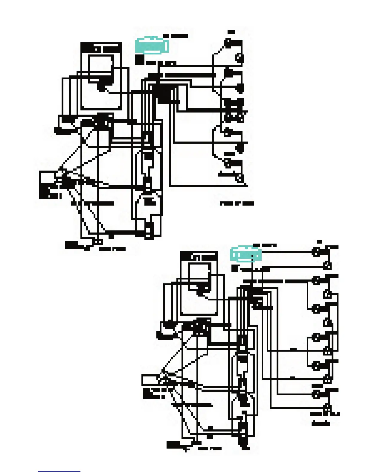
Cress E1814 - Wiring Diagrams

Default Icon
28 pages
Print Icon
To Next Page IconTo Next Page
To Next Page IconTo Next Page
To Previous Page IconTo Previous Page
To Previous Page IconTo Previous Page
Loading...
24

Related product manuals