EasyManua.ls Logo

Crown D-150A - Page 22

Crown D-150A
22 pages
Print Icon
To Previous Page IconTo Previous Page
To Previous Page IconTo Previous Page
Loading...
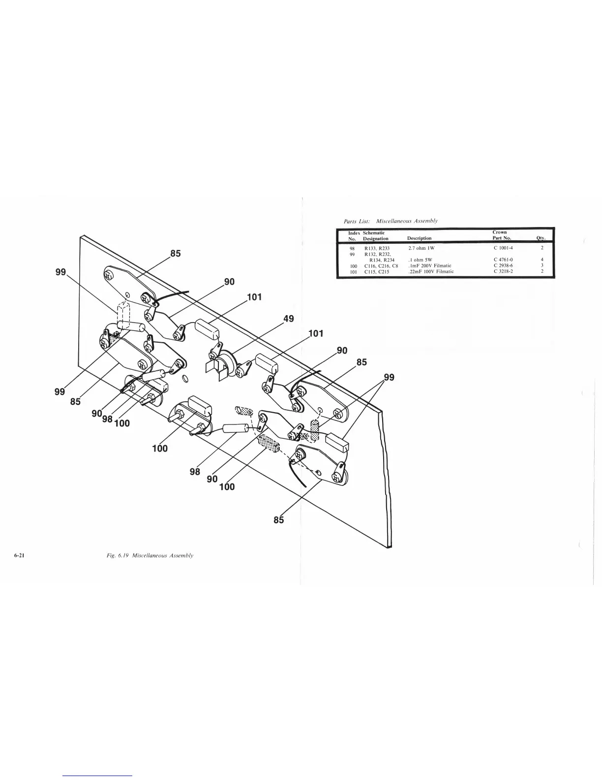
Parts
List:
Miscellaneous
Assembly
6-21
Fig. 6.19 Miscellaneous
Assembly

Related product manuals