EasyManua.ls Logo

Ctouch CLAP-75UHDA5 - Device Connections

Ctouch CLAP-75UHDA5
29 pages
Print Icon
To Next Page IconTo Next Page
To Next Page IconTo Next Page
To Previous Page IconTo Previous Page
To Previous Page IconTo Previous Page
Loading...
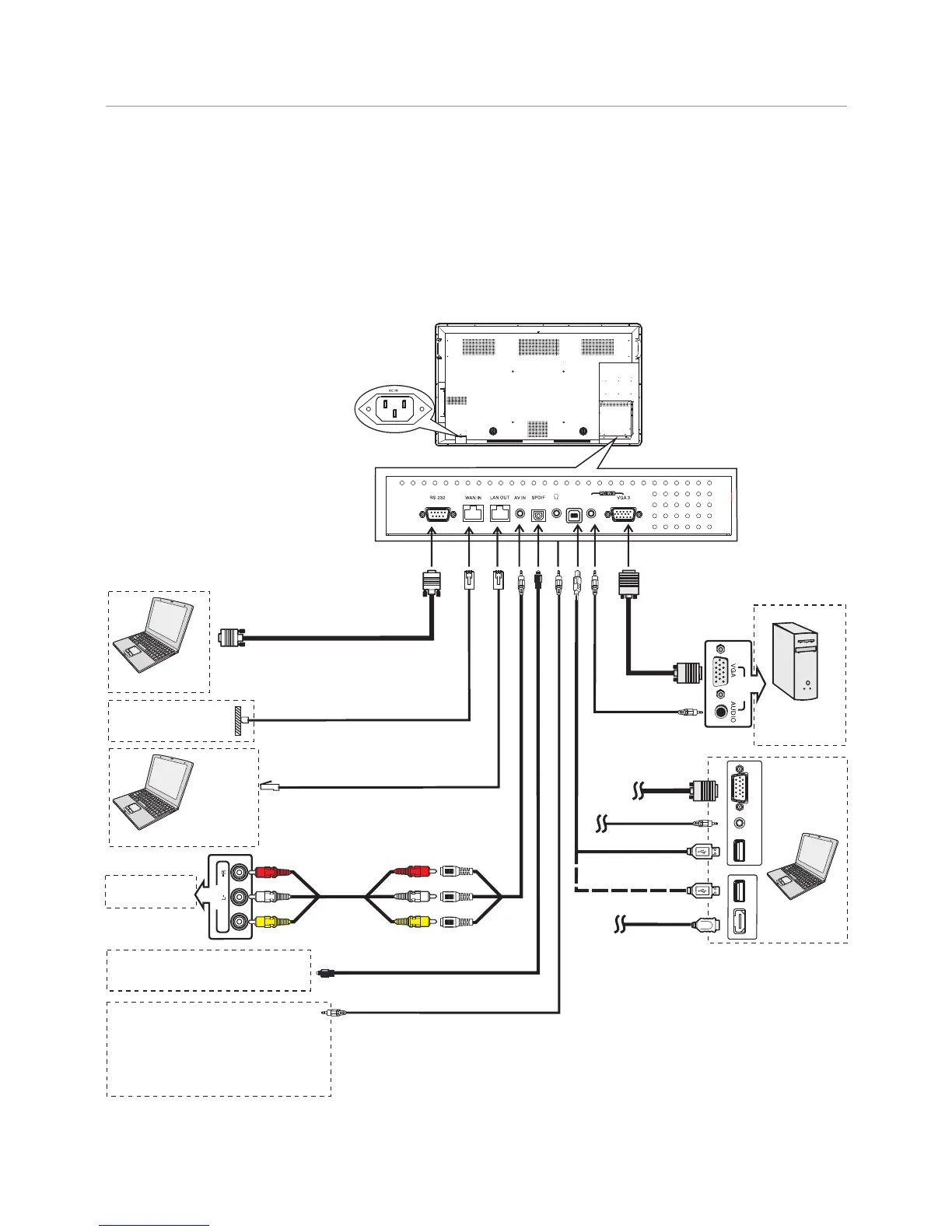
=When connecting an external device to the CTOUCH interactive display, make sure that the CTOUCH and the
device are turned off.
=Check the plugs at the ends of cables to make sure that they are the correct type before you try plugging them into
jacks on the CTOUCH interactive display.
=Make sure that all plugs are securely inserted into the jacks. Loose connections can result in image or color
problems.
=The illustration of the external device may be different depending on your model.
=Refer to the operating manual of the external device as well.
external
Cautions Before Connecting
Connections
11
Digital sound system
PC, etc.
VGA devices
Serial port cable
VGA cable
AV cable
AV adapter
Network cable
Computer, etc.
Internet devices
Network connection
S/PDIF cable
Audio cable
Computer, etc.
Network cable
Y
W
R
Y
W
R
VGA OUT
AUDIO
OUT
USB
Computer
USB
HDMI
Connect TOUCH OUT with USB cable to
PC USB port.
Connect PC with VGA cable or HDMI
cable. Please choose the proper method
of connection based on your device.
Note: After installation of the driver, it can
control the external computer by
native touch control. (Only for PC
HDMI signal)
TOUCH OUT 2 takes precedence over
TOUCH OUT 1 in default. You can
define it to in Lock menu.
Headphone cable
USB cable
AV OUT
VIDEO
AUDIO
Y
W
R
PC OUT
1. Connect the female plug to the AC socket on
the unit.
2. Connect the male plug to the wall outlet as
illustrated.
=This product should be operated
only from the type of power source
indicated on the marking label.
=Always unplug the AC cord from
power outlet when not using for a
long period of time.
Note:
AV devices
Before using headphones,
adjust the device volume so
as to avoid excessive levels, as
hearing damage may result.
Audio input devices
AUDIO
TOUCH
OUT 2

Related product manuals