EasyManua.ls Logo

CTX CMS-3435 - Page 24

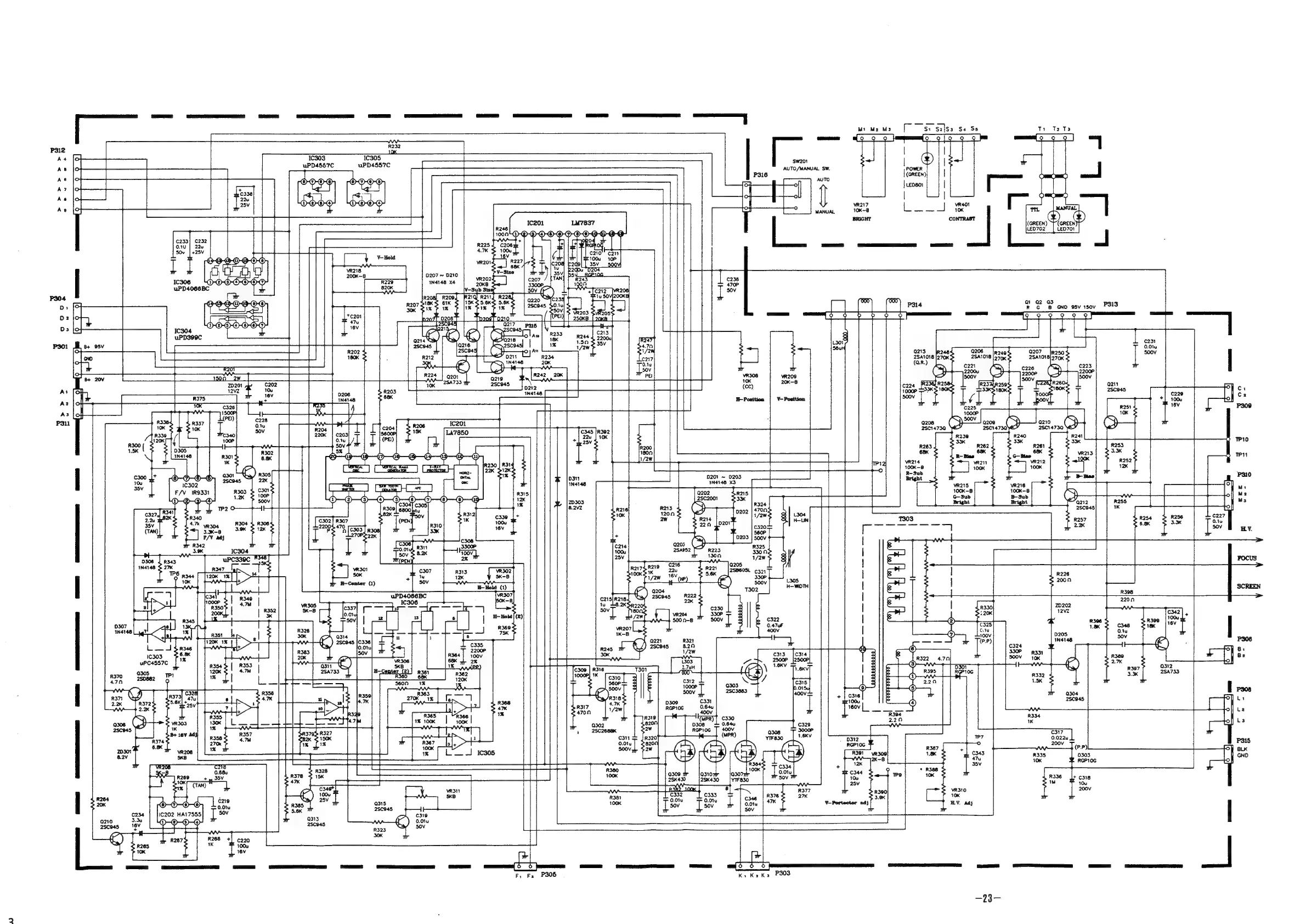
CTX CMS-3435
41 pages
Print Icon
To Next Page IconTo Next Page
To Next Page IconTo Next Page
To Previous Page IconTo Previous Page
To Previous Page IconTo Previous Page
Loading...
ix
$y
Sass
Sa
Ss
=a
P312
Ae
Ae
sw201
AUTO/MANUAL
SW.
os
P316
A?
~
Ms
Eo
Ae
2
MANUAL
|
BRIGHT
0207
~
D210
1N4148
X4
P304
>
B
450)
00)
Qi
Q2
Q3
De
role
R
GB
GNO
osvisoy
PSS
°
Ds
fo
P301
Z
L301
c231
Seu
0.01u
7
Soov
VR308
vR209
10K
20K-B8
a
nie
Lies
ms
i
a
é
1
Aa
—Linetas
B-Porition
|
¥-Position
roar
i
eS
2
i
pies
|
16V
P309
Ad
v
7
P3i1
aa
see
as
©
P10
Sea
ES
&
Pi
1201
~
0203
[Zoo
1N4148
X3
fo
oo
R321
820

Related product manuals