EasyManua.ls Logo

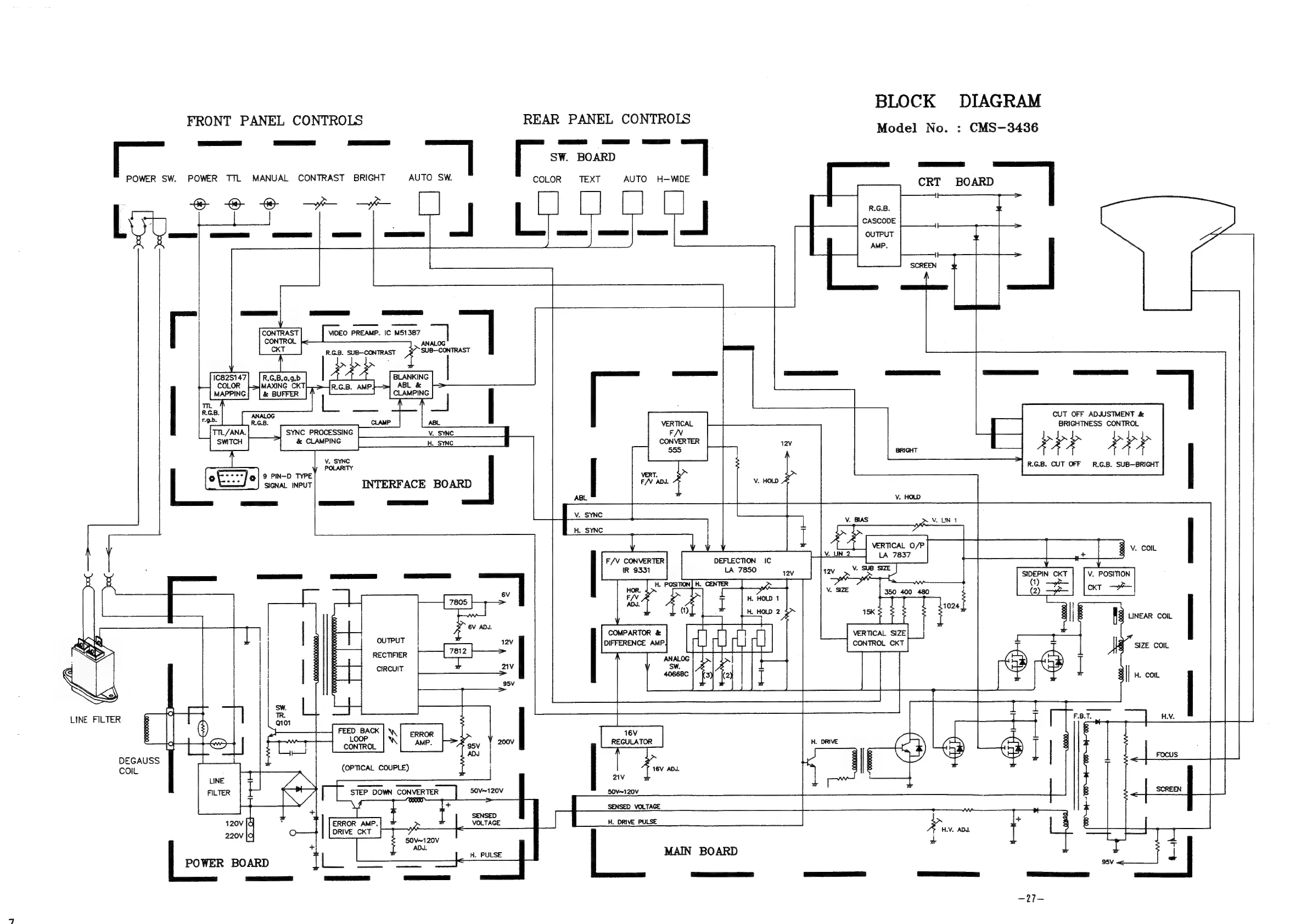
CTX CMS-3435 - Overall System Block Diagram

CTX CMS-3435
41 pages
Print Icon
To Next Page IconTo Next Page
To Next Page IconTo Next Page
To Previous Page IconTo Previous Page
To Previous Page IconTo Previous Page
Loading...
BLOCK
DIAGRAM
REAR
PANEL
CONTROLS
FRONT
PANEL
CONTROLS
Model
No.
:
CMS-—3436
ean
aa
nt
el
aD
Eee
[oe
tS
ae
aes
SW.
BOARD
eee)
POWER
SW.
POWER
TIL
MANUAL
CONTRAST
BRIGHT
AUTO
SW.
COLOR
TEXT
AUTO
H—WDE
CRT
BOARD
T
Gt
ea
e
Pat
|
poe
ly
7
:
7
BLANKING
ABL
&
CLAMPING
CUT
OFF
ADJUSTMENT
&
BRIGHTNESS
CONTROL
PRR
RPP
R.G.B.
CUT
OFF
R.G.B.
SUB—BRIGHT
1C82S147
R,G,B,a,9,b
|
COLOR
MAXING
CKT,
.G.B.
MAPPING
&
BUFFER
mn
LL
.
=
.
ANALOG
rgb.
R.GB.
B
TTL/ANA.
SYNC
PROCESSING
SWITCH
&
CLAMPING
Vv.
SYNC
-
-
POLARITY
|
of:..Jo
9
PIN-D
TYPE
oF
9]
SIGNAL
INPUT
INTERFACE
BOARD
Vv.
BIAS
Vv.
UN
1
ca
t
3
SIDEPIN
CKT
V.
POSITION
LA
7837
) )
Q
QQ
1
2
——
cKT
ye
cee
3]
LINEAR
COIL
kd
|
|
is
COMPARTOR
&
VERTICAL
SIZE
LS
|
|
OIFFERENCE
AMP.
CONTROL
CKT
Z
SIZE
COIL
G
i.
|
:
Wd
|
|
LINE
FILTER
)
a
Ape
H.V.
:
16V
Lie
te
a
ate
H.
DRIVE
<<)
CR
9)
=
DEGAUSS
ree
,
ale
y
y
§
Focus
COIL
(OPTICAL
COUPLE)
sev
Abi
=a:
I
LINE
aS
2av~C«s
FILTER
sS
!
STEP
DOWN
CONVERTER
50V~120V
50V~120V
B
SCREEN
BOUUU
*
rs
7
SENSED
VOLTAGE
Eo
am
nomen
ee
=
es
a
;
O
DRIVE
CKT
H.V.
AD
t——
geet
50V~120V
+
Eo
4
AOJ.
H.
PULSE
MAIN
BOARD
Bi
POWER
BOARD
|
aes
95v
—-27-—

Related product manuals