EasyManua.ls Logo

Cub Cadet 3184 - Lubrication Illustration

Cub Cadet 3184
56 pages
To Next Page IconTo Next Page
To Next Page IconTo Next Page
To Previous Page IconTo Previous Page
To Previous Page IconTo Previous Page
Loading...
20
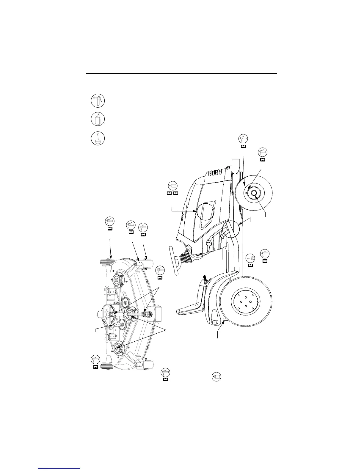
LUBRICATION ILLUSTRATION
Cub Cadet 251H EP Grease
or equivalent No. 2 lithium grease
Engine Oil: See Figure 24 on page 30
Transmission Oil- Cub Cadet Drive
Oil Can (High quality lubricating oil)
System Fluid Plus - ONLY
8
Front Wheels
10
L/R Steering Knuckles
10
Engine
100
Transmission
10
Foot Control
Pivot Points
See Maintenance
Chart
Deck Drive Shaft
50
50
Deck Caster Wheels
50
Deck Gauge Wheels
Idler Arm
10
Deck Spindles
10
Front Pivot Axle
10
50
Deck Caster Spindles

Related product manuals