EasyManua.ls Logo

Cub Cadet Yanmar Lx490 - Page 16

Cub Cadet Yanmar Lx490
230 pages
Print Icon
To Next Page IconTo Next Page
To Next Page IconTo Next Page
To Previous Page IconTo Previous Page
To Previous Page IconTo Previous Page
Loading...
Lx490Lx Series
Notes
16
Copyright 2011 Cub Cadet Yanmar LLC
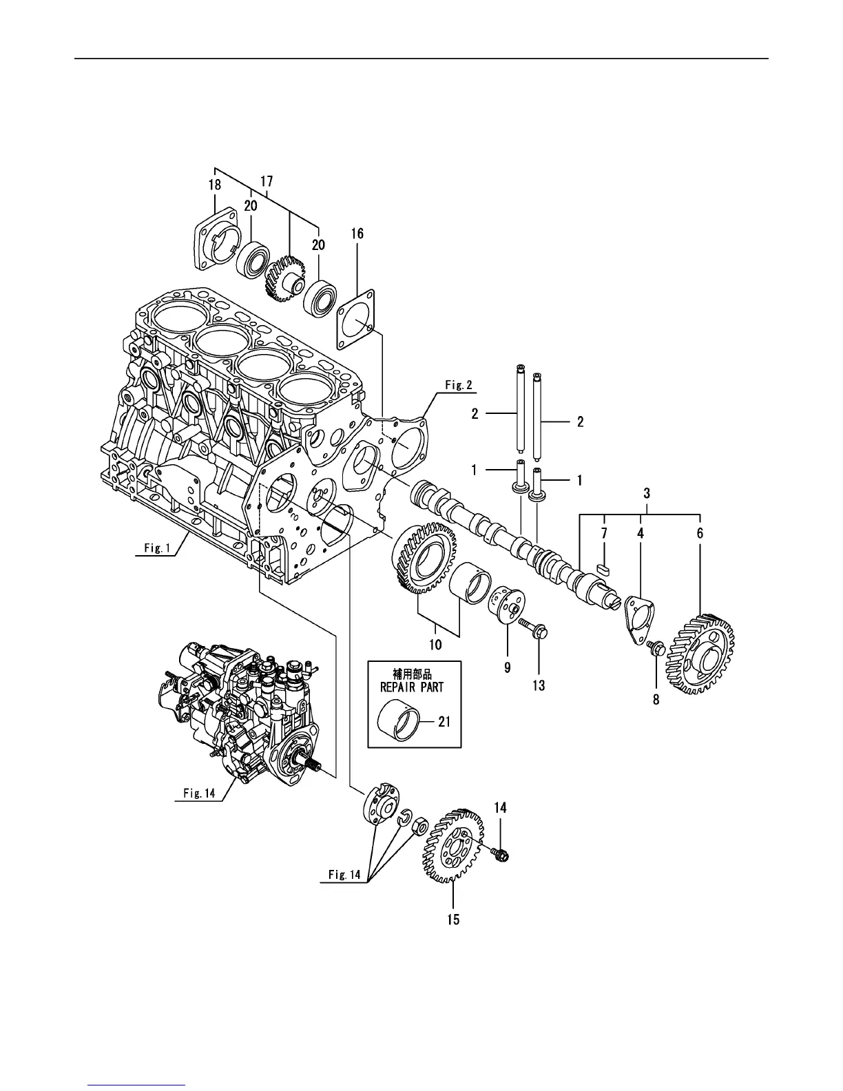
Fig 7. Camshaft & Driving Gear
Fig.7. CAMSHAFT & DRIVING GEAR
0CNP5-G38300
Remarks
Note: "Effective Machine No." of the
Engine Section is indicated on
the Model Label which is shown
in Fig.4.
(1)Repair part.
0CNP5-G38300
7. CAMSHAFT & DRIVING GEAR
(F)=
(E)=
(D)=
(C)=
(B)=
(A)=4TNV84T-BMRG1
LEV.REF. PARTS NO. DESCRIPTION
RI
Q'TY
(F)(D)(C)(B)(A) (E)
TAPPET129150-1420011 8
ROD, PUSH129150-1440012 8
CAMSHAFT ASSY129508-1458013 1
METAL, THRUST129150-0245024 1
GEAR, CAMSHAFT129150-1410126 1
KEY, 7X1422512-07014027 1
BOLT 8X 14 PLATED26106-08014218 2
SHAFT, IDLER119803-2505019 1
GEAR ASSY, IDLE119802-25101110 1
BOLT M 8X 40 PLATED26106-080402113 3
BOLT, PUMP129150-25301114 4
GEAR, PUMP119802-25901115 1
GASKET, COVER129150-01881116 1
DRIVE ASSY, PUMP129150-26000117 1
BRACKET, PUMP129150-26050218 1
BALL BEARING24105-060064220 2
1BUSH, IDLE GEAR119802-25071121 1
(C)Copy Rights YANMAR CO.,LTD.

Related product manuals