EasyManua.ls Logo

Cub Cadet Yanmar Lx490 - Page 178

Cub Cadet Yanmar Lx490
230 pages
Print Icon
To Next Page IconTo Next Page
To Next Page IconTo Next Page
To Previous Page IconTo Previous Page
To Previous Page IconTo Previous Page
Loading...
Lx490Lx Series
178
Copyright 2011 Cub Cadet Yanmar LLC
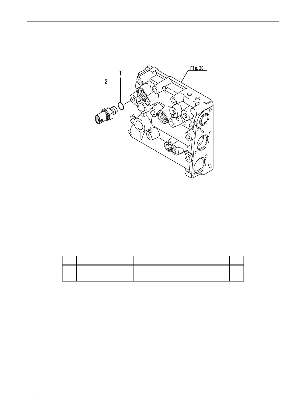
Fig 101. Switch
Ref.
Part Number Description Qty
1 CY-194850-49290 PACKING 6-1 1
2 CY-1A8275-52190 SWITCH,SAFETY 1
Fig.101. SWITCH
0CNP5-G37900
0CNP5-G37900
101. SWITCH
(F)=
(E)=
(D)=
(C)=LX490
(B)=LX450
(A)=LX410
LEV.REF. PARTS NO. DESCRIPTION
RI
Q'TY
(F)(D)(C)(B)(A) (E)
PACKING 6-1194850-4929011 111
SWITCH,SAFETY1A8275-5219012 111
(C)Copy Rights YANMAR CO.,LTD.

Related product manuals