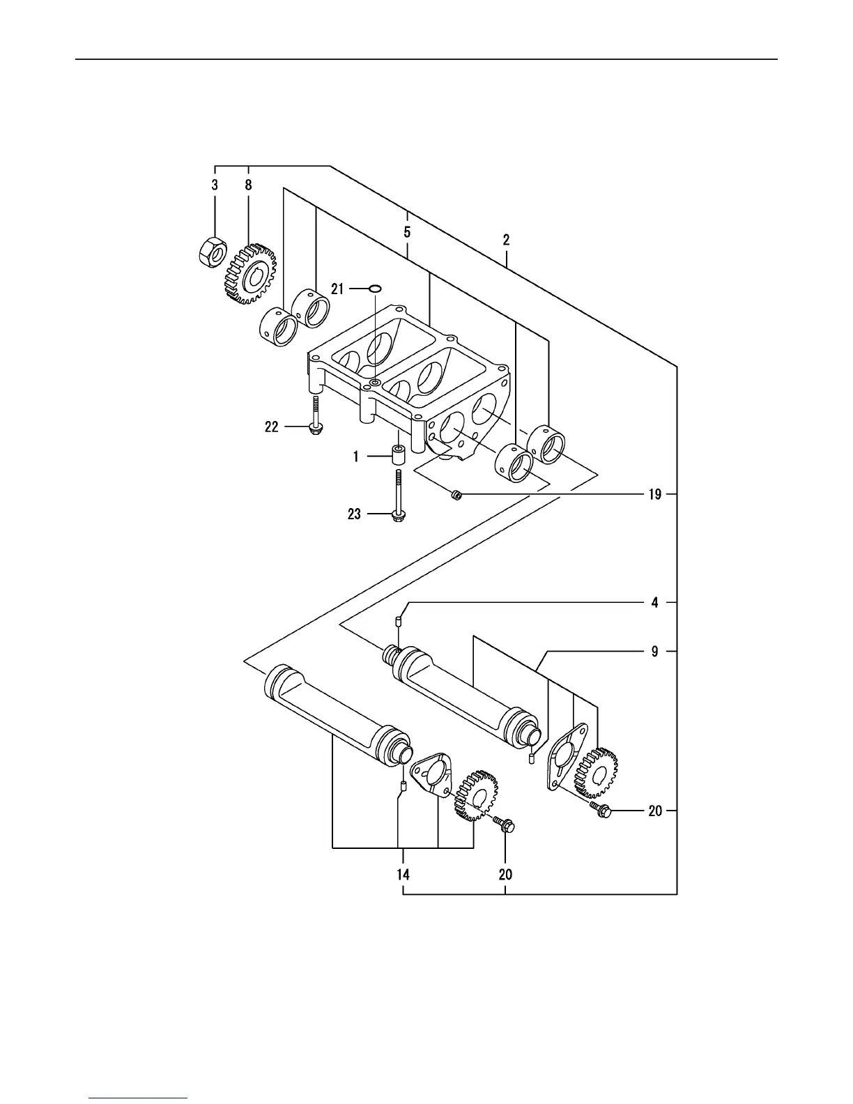
Fig.10. BALANCER
0CNP5-G38300
Remarks
Note: "Effective Machine No." of the
Engine Section is indicated on
the Model Label which is shown
in Fig.4.
0CNP5-G38300
10. BALANCER
(F)=
(E)=
(D)=
(C)=
(B)=
(A)=4TNV84T-BMRG1
LEV.REF. PARTS NO. DESCRIPTION
RI
Q'TY
(F)(D)(C)(B)(A) (E)
PIPE, KNOCK129795-0196011 2
BALANCER ASSY129457-2800012 1
NUT, CAM128170-1415023 1
PIN121850-2129024 1
CASE ASSY, BALANCER129457-2801125 1
GEAR, BALANCER A129400-2815028 1
SHAFT, BALANCER A729490-2851029 1
SHAFT, BALANCER B729490-28520214 1
PLUG, PT1/1623876-005000219 1
BOLT 8X 14 PLATED26106-080142220 4
O-RING 1A P-14.024311-000140121 1
BOLT M 8X 60 PLATED26106-080602122 4
BOLT M 8X 80 PLATED26106-080802123 2
(C)Copy Rights YANMAR CO.,LTD.