EasyManua.ls Logo

Cub Cadet Yanmar Lx490 - Page 34

Cub Cadet Yanmar Lx490
230 pages
Print Icon
To Next Page IconTo Next Page
To Next Page IconTo Next Page
To Previous Page IconTo Previous Page
To Previous Page IconTo Previous Page
Loading...
Lx490Lx Series
Notes
34
Copyright 2011 Cub Cadet Yanmar LLC
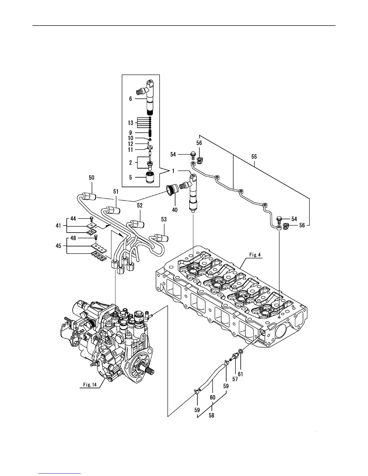
Fig 16. Fuel Injection Valve
Fig.16. FUEL INJECTION VALVE
0CNP5-G38300
Remarks
Note: "Effective Machine No." of the
Engine Section is indicated on
the Model Label which is shown
in Fig.4.
0CNP5-G38300
16. FUEL INJECTION VALVE
(F)=
(E)=
(D)=
(C)=
(B)=
(A)=4TNV84T-BMRG1
LEV.REF. PARTS NO. DESCRIPTION
RI
Q'TY
(F)(D)(C)(B)(A) (E)
VALVE ASS
Y
,INJECTION729530-5310011 4
VALVE ASS
Y
,INJECTION129937-5300022 4
NUT, CASE114250-5308025 4
HOLDER ASSY, NOZZLE129508-5310026 4
SPRING, NOZZLE114250-5312029 4
SEAT, SPRING114250-53130210 4
PLATE, STOP114250-53140211 4
PIN114250-53210212 8
SHIM SET119803-53400213 4
SEAL123907-11601140 4
RETAINER119305-59120141 2
BOLT M4X14,HEX.SCKT.129150-59131244 2
RETAINER, PIPE129550-59120145 1
BOLT M4X14,HEX.SCKT.129150-59131248 2
PIPE ASSY, INJECTION129508-59910150 1
PIPE ASSY, INJECTION129508-59920151 1
PIPE ASSY, INJECTION129508-59930152 1
PIPE ASSY, INJECTION129508-59940153 1
BOLT, JOINT M6123907-59540154 5
PIPE ASSY, RETURN129508-59550155 1
PACKING123907-59550256 5
JOINT123907-59560157 1
PIPE ASSY, RETURN129508-59570158 1
CLIP, HOSE124722-59050259 2
PIPE, FUEL RETURN129508-59510260 1
SEAL WASHER 8S22190-080002161 1
(C)Copy Rights YANMAR CO.,LTD.

Related product manuals