EasyManua.ls Logo

Curtis G3 Series - Powering Up the Brewer

Curtis G3 Series
33 pages
To Next Page IconTo Next Page
To Next Page IconTo Next Page
To Previous Page IconTo Previous Page
To Previous Page IconTo Previous Page
Loading...
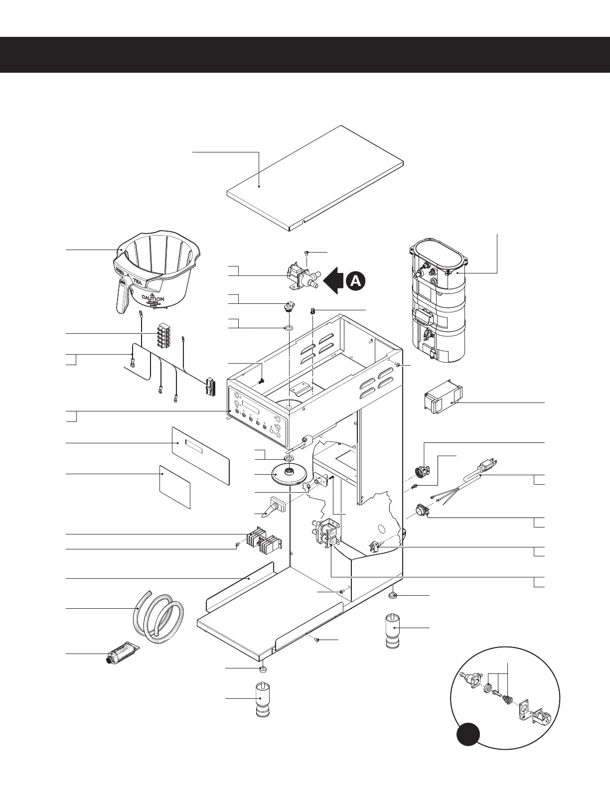
ILLUSTRATED PARTS/RECOMMENDED PARTS IP11
5#5#15#5*--6453"5&%1"3543&$0..&/%&%1"354ø $
8
24
22
11
32
9
13
14
25
19
1
17
31
TB, TBP, TBT Series - Main Chassis - Exploded View
&KDVVLVFRQ¿JXUDWLRQYDULHV
EHWZHHQPRGHOV
2ULHQWDWLRQYDULHVZLWKPRGHO
DQGGDWHRIPDQXIDFWXUH
:DWHU7DQNV$VVHPEOLHV
'RPHVWLFXQLWVVHHVHFWLRQ,3
([SRUWXQLWVVHHVHFWLRQ,3
16A
16B
7A
7B
29
3A
3B
26A
26B
15A
15B
21A
21B
20A
20B
12A
12B
10A*
10B*
23
32
32
23
5
34
32
2
27A
27B
18
28
6
4
33
30
A

Other manuals for Curtis G3 Series

Related product manuals