EasyManua.ls Logo

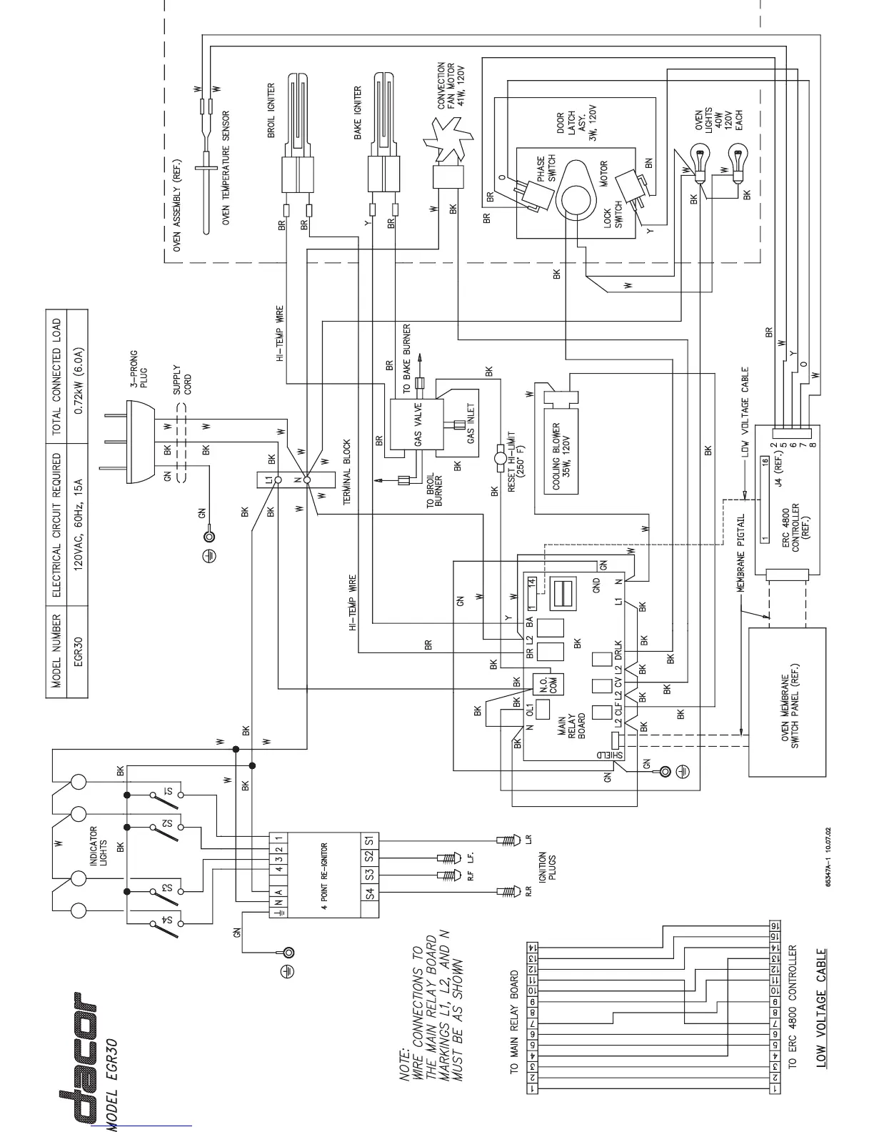
Dacor CPS - Wire Diagram Top Section

Dacor CPS
159 pages
Print Icon
To Next Page IconTo Next Page
To Next Page IconTo Next Page
To Previous Page IconTo Previous Page
To Previous Page IconTo Previous Page
Loading...

Table of Contents

Related product manuals