EasyManua.ls Logo

Dacor DMT2420S - POWER UNIT CIRCUIT

Dacor DMT2420S
38 pages
Print Icon
To Next Page IconTo Next Page
To Next Page IconTo Next Page
To Previous Page IconTo Previous Page
To Previous Page IconTo Previous Page
Loading...
34
DMT2420B
DMT2420R
DMT2420S
6
45
1
2
3
6
45
1
2
3
A
B
C
D
E
F
G
H
A
B
C
D
E
F
G
H
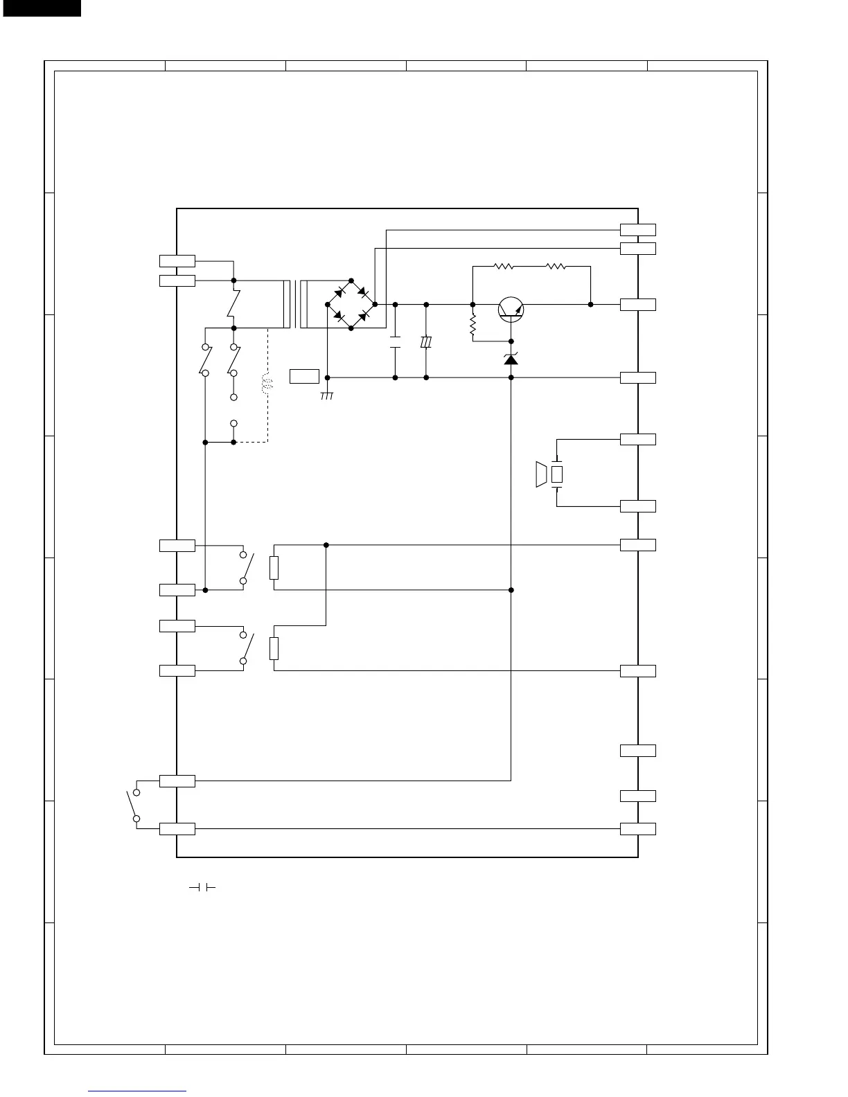
Figure S-2. Power Unit Circuit
+
A 1
NO
NO
COM
COM
B 1
A 2
C 3
C 5
C 6
T1
AC
INT
VR
VA
GND
BZ/EN
BUZZR
MICRO
N.C
N.C
AC
MICRO
OVEN LAMP
FAN MOTOR
TURNTABLE
MOTOR
OVEN LAMP
FAN MOTOR
TURNTABLE
MOTOR
DOOR
SENSING
SWITCH
NOTE
: IF NOT SPECIFIED, 0.1µF / 50V
DOOR
SENSING
SWITCH
AC120V
60Hz
CN-A
CN-C
11P LEAD WIRE HARNESS
SP30
RY1
GND
RY2
ab
c
d
D1
D1
S1NB10
R2 91 1w
Q1 KTC1027
R3 91 1w
ZD1
HZ-16-1
R1
VRS1
(J1)
10G471K
2.4k
1/4w
C2 1000µ/35v
C1
C 4
C11
C10
C 9
C 7
C 8
C 2
C 1
B 2

Related product manuals