EasyManua.ls Logo

DAEWOO ELECTRONICS KOR-167H - Wiring Diagram

DAEWOO ELECTRONICS KOR-167H
32 pages
Print Icon
To Next Page IconTo Next Page
To Next Page IconTo Next Page
To Previous Page IconTo Previous Page
To Previous Page IconTo Previous Page
Loading...
23
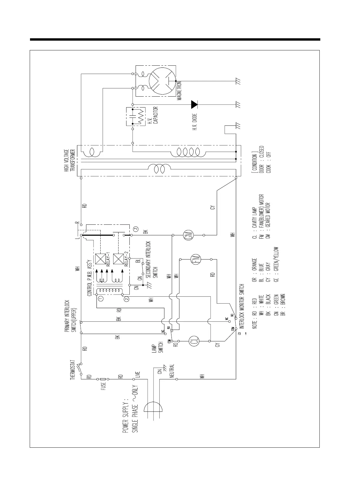
WIRING DIAGRAM

Related product manuals