EasyManua.ls Logo

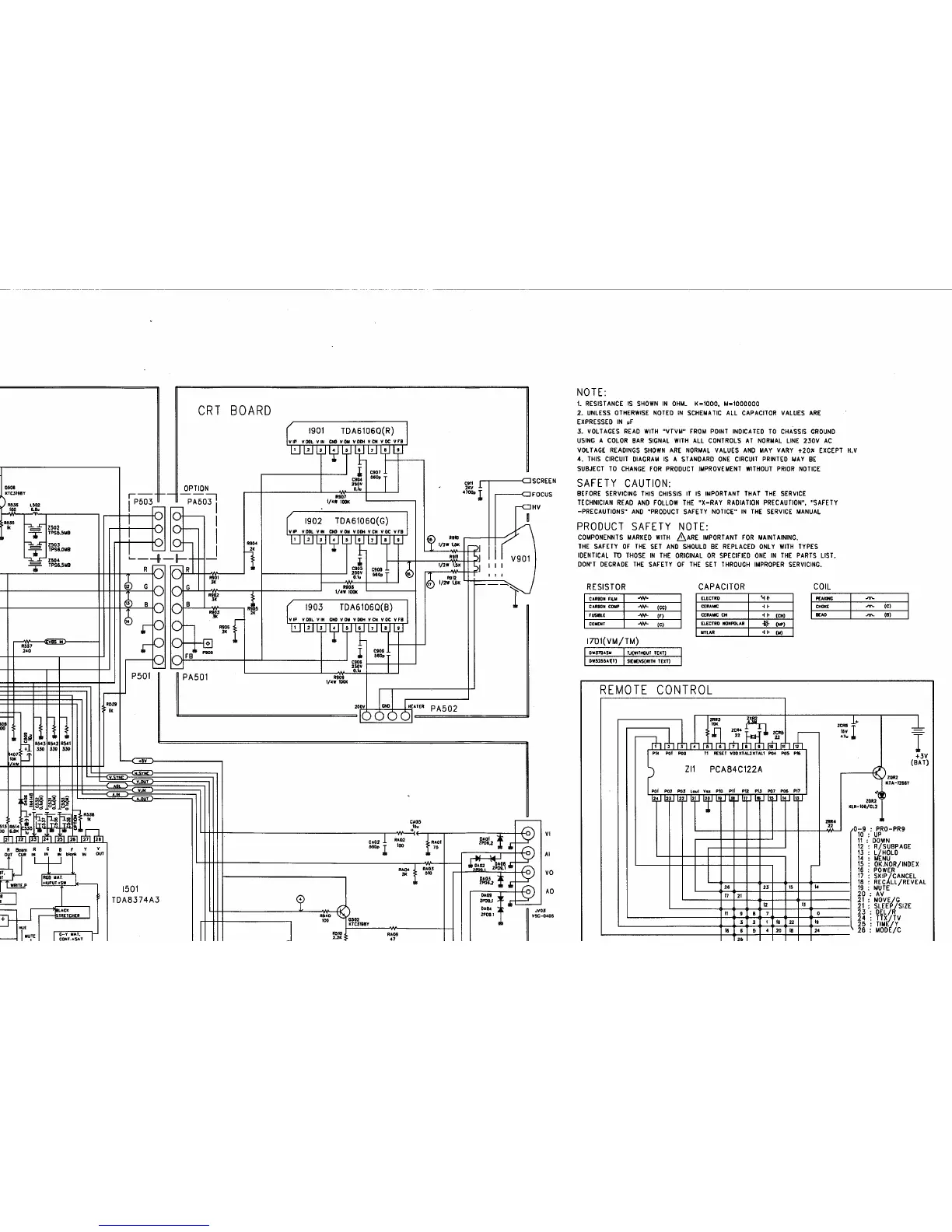
Daewoo 14Q1 - Circuit Diagram; Main Circuit Diagram (VM;TM); CRT Board and Remote Control Diagrams

Daewoo 14Q1
77 pages
Print Icon
To Next Page IconTo Next Page
To Next Page IconTo Next Page
To Previous Page IconTo Previous Page
To Previous Page IconTo Previous Page
Loading...

Related product manuals