EasyManua.ls Logo

Daewoo AMI-310 - Page 51

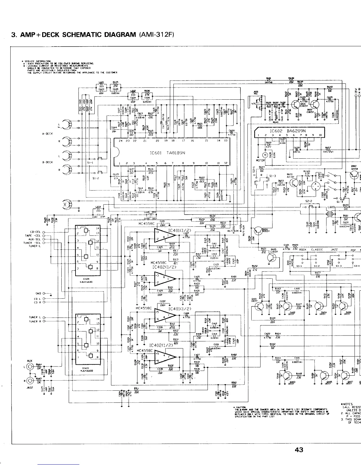
Daewoo AMI-310
107 pages
Print Icon
To Next Page IconTo Next Page
To Next Page IconTo Next Page
To Previous Page IconTo Previous Page
To Previous Page IconTo Previous Page
Loading...

Related product manuals