EasyManua.ls Logo

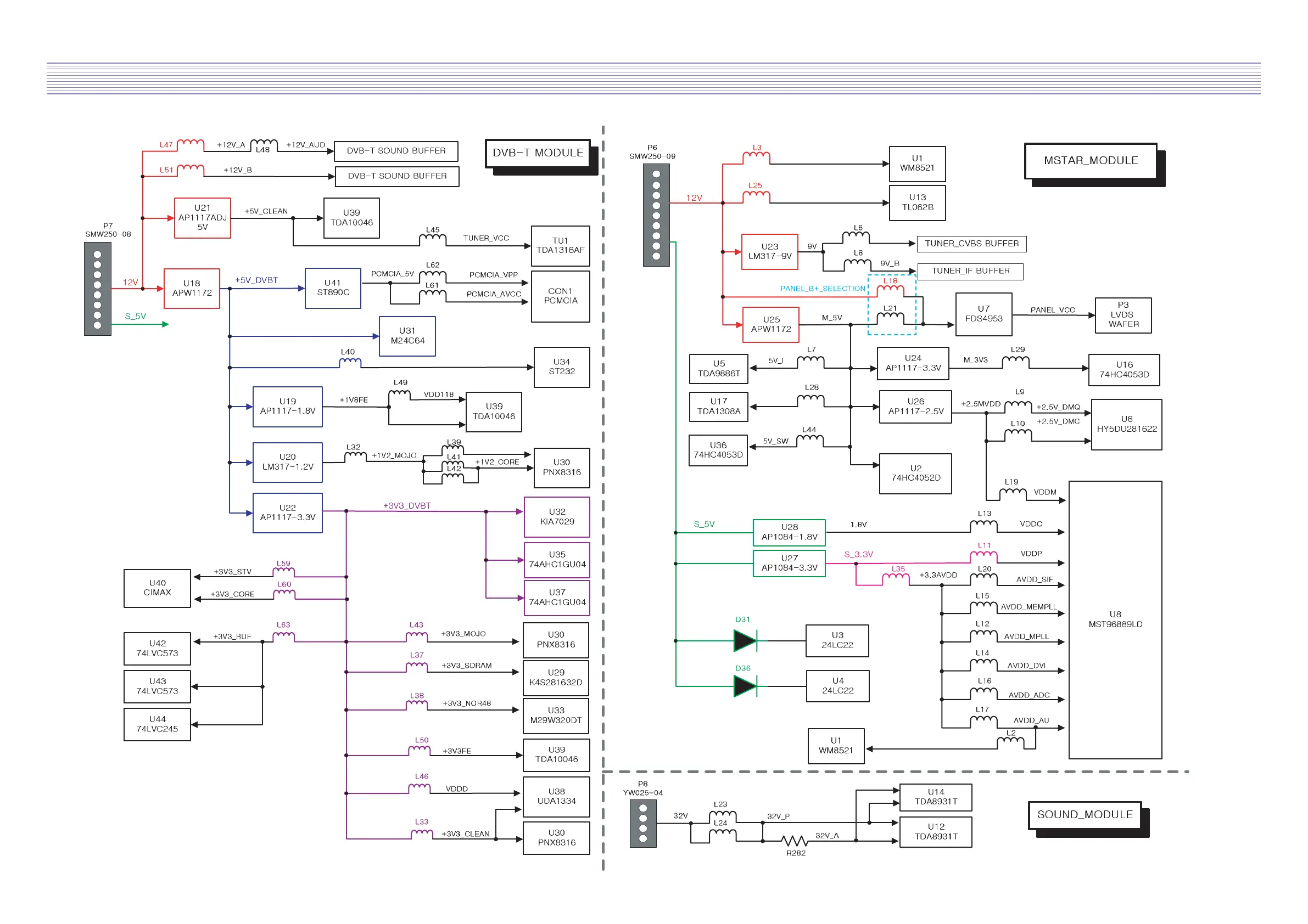
Daewoo DLT-26C2 - 3-2.Block Diagram(Power)

Daewoo DLT-26C2
108 pages
Print Icon
To Next Page IconTo Next Page
To Next Page IconTo Next Page
To Previous Page IconTo Previous Page
To Previous Page IconTo Previous Page
Loading...
-7-
Block Diagram
3-2.Block Diagram(Power)