EasyManua.ls Logo

Daewoo DPC-7600 - System Block Diagram

Daewoo DPC-7600
46 pages
Print Icon
To Next Page IconTo Next Page
To Next Page IconTo Next Page
To Previous Page IconTo Previous Page
To Previous Page IconTo Previous Page
Loading...
- 5 -
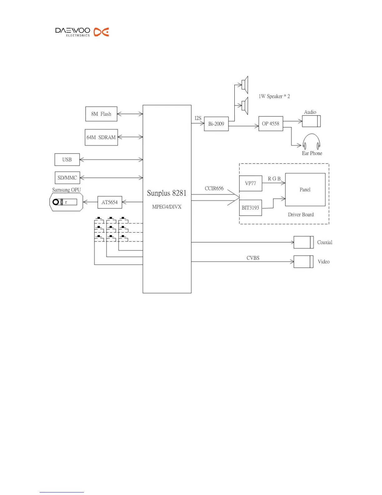
2.3 System Block Diagram

Related product manuals