EasyManua.ls Logo

Daewoo DTY-2896 TF - Mechanical Exploded View and Parts List - Model 2898

Daewoo DTY-2896 TF
14 pages
Print Icon
To Next Page IconTo Next Page
To Next Page IconTo Next Page
To Previous Page IconTo Previous Page
To Previous Page IconTo Previous Page
Loading...
55
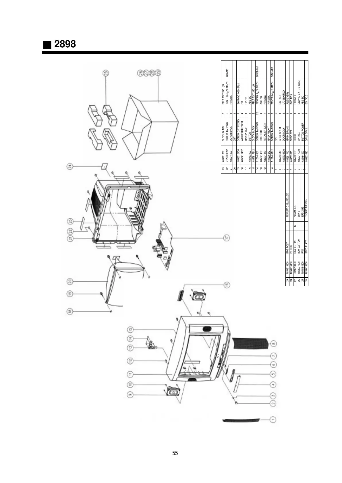
29 4858213800 BAG POLY 1
PE FILM TO.06¡¿250¡¿350
28 4858215400 PE FILM 1
27 6520010100 STAPLE PIN 12 18M/M JDO
26 4858037300 BOX CARTON 1 DW-3
25 4858164200 PAD 1 EPS 2895
24 4855415800 SPEC PLATE 1 150ART P/E FILM
23 4857817611 CLOTH BLACK 6 FELT TO.7 200¡¿20
22 7122401612 SCREW TAPPING 9 T2S TRS 4¡¿16 MFZN C/B+M/F
21 4852148901 COVER BACK 1 HIPS BK
20 CRT 1
19 4856015700 SCREW CRT FIXING 4 SWRM+SK-5L=27§fi
18 4856215402 WASHER RUBBER 4 CR
17 MAIN PCB AS 1 CP-775
16 4854934001 BUTTON 1 ABS BK
15 4857817612 CLOTH BLACK 3 FELT TO.7 250¡¿20
14 7121401611 SCREW TAPPING 20 T2S PAN 4¡¿16 MFZN BRKT+M/F
13 4853414501 BRKT CRT 4 ABS NC
12 4853311601 RETAINER BACK 7 HIPS NC
11 4852062401 MASK FRONT 1 HIPS BK
10 7122401212 SCREW TAPPING 8 T2S TRS 4¡¿12 MFZN SPK+M/F
9 SPK 2
8 4852535101 GRILL SPK R 1 EGI TO.5
7 4857923300 DOOR LOCK 1 LA701(KIFCO)
6 4855617401 MARK BRAND 1 AL(SILVER)
5 4855058201 DECO CTRL 1 PVC TO.3
4 4852820601 DOOR 1 PC SMOG
3 4856717900 SPRING 1 SWPA( 6.4¡¿16 TO.5)
2 4854849201 BUTTON POWER 1 ABS BK
1 4852534901 GRILL SPK L 1 EGI TO.5
2898
All manuals and user guides at all-guides.com

Related product manuals