EasyManua.ls Logo

Daewoo DWF-262PW - Page 30

Daewoo DWF-262PW
42 pages
Print Icon
To Next Page IconTo Next Page
To Next Page IconTo Next Page
To Previous Page IconTo Previous Page
To Previous Page IconTo Previous Page
Loading...
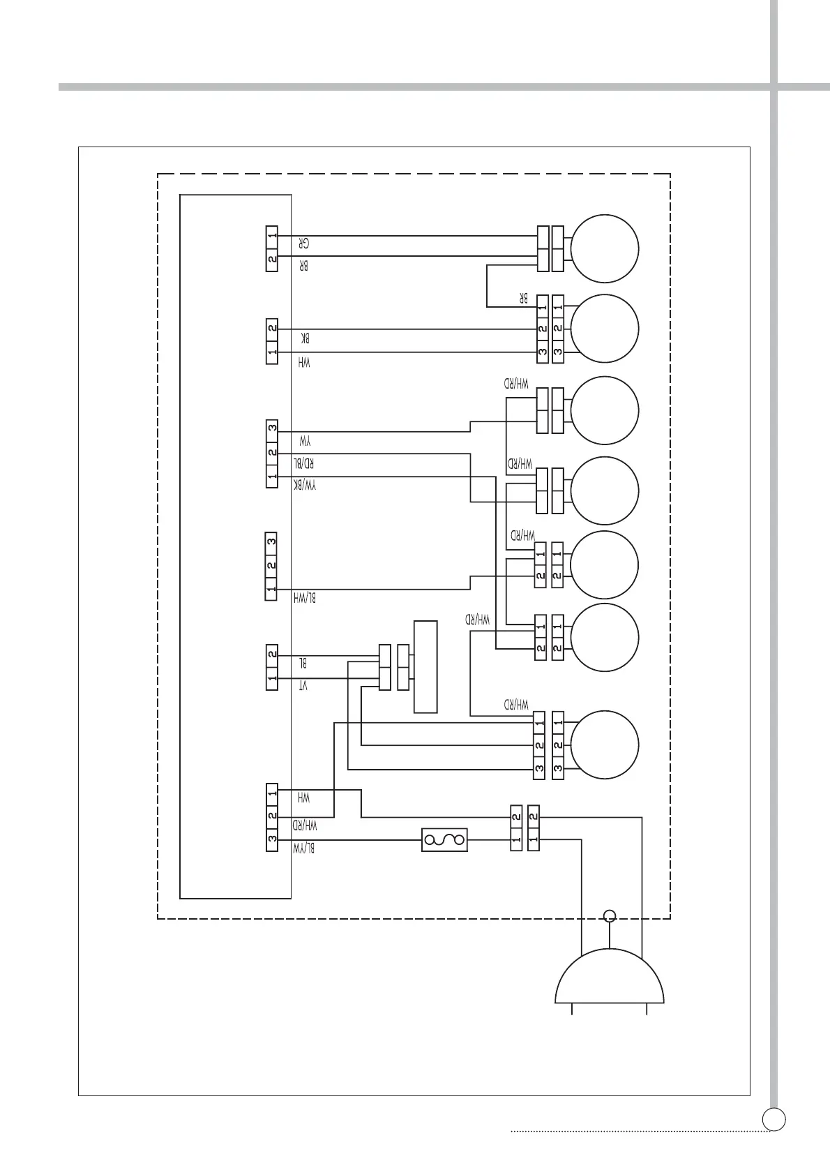
WIRING DIAGRAM
29
WIRING DIAGRAM (220V~, PUMP, COLD+HOT)
WH
PUMP
DRAIN
HOT
VALVE
MAIN & FRONT PCB ASS'Y
POWER CORD
220V~
FUSE
RD
BL
WH
YW
CONDENSOR
COLD
VALVE
MOTOR
MOTOR
DRAIN
PRESSURE
SENSOR
SAFETY
SWITCH
VT

Related product manuals