EasyManua.ls Logo

Daewoo DWF-262PW - Appendix; Wiring Diagram

Daewoo DWF-262PW
42 pages
Print Icon
To Next Page IconTo Next Page
To Next Page IconTo Next Page
To Previous Page IconTo Previous Page
To Previous Page IconTo Previous Page
Loading...
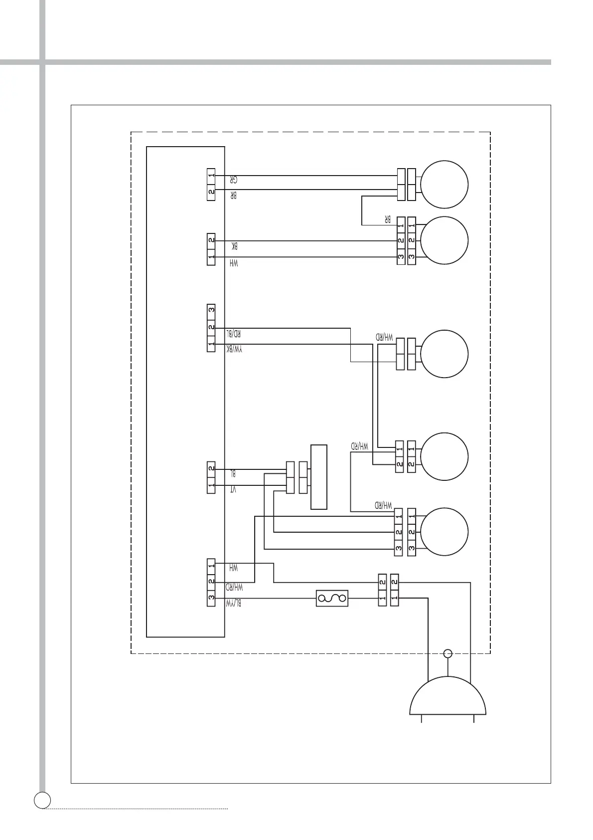
APPENDIX
WIRING DIAGRAM
28
WIRING DIAGRAM (110V~, NON-PUMP, COLD ONLY)
POWER CORD
110V~
FUSE
RD
BL
WH
YW
CONDENSOR
COLD
VALVE
MAIN & FRONT PCB ASS'Y
MOTOR
MOTOR
DRAIN
PRESSURE
SENSOR
SAFETY
SWITCH
VT

Related product manuals