EasyManua.ls Logo

Daewoo DWF-6021 - Page 26

Daewoo DWF-6021
31 pages
Print Icon
To Next Page IconTo Next Page
To Next Page IconTo Next Page
To Previous Page IconTo Previous Page
To Previous Page IconTo Previous Page
Loading...
29
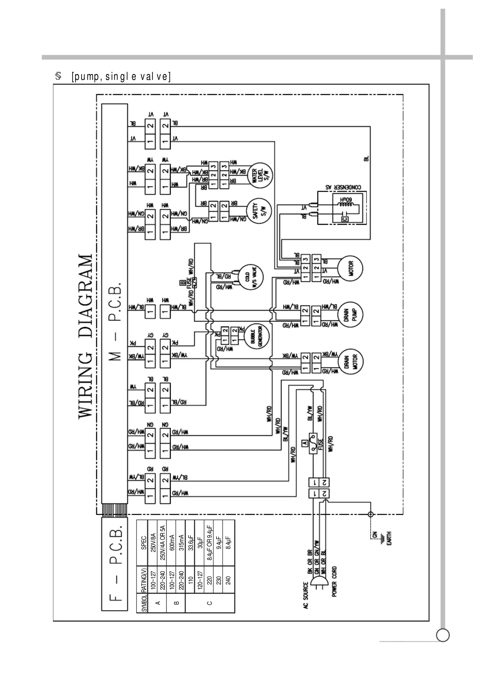
W
IRING DIA
GRAM
§
[
p u m
p ,
s i
n
g l
e v a
l
v e ]
R
A
T
I
N
G
(
V
)
1
0
0
~
1
2
7
2
2
0
~
2
4
0
1
0
0
~
1
2
7
2
2
0
~
2
4
0
1
1
0
1
2
0
~
1
2
7
2
2
0
2
3
0
2
4
0
S
P
E
C
2
5
0
V
/
8
A
2
5
0
V
/
4
A
O
R
5
A
6
0
0
m
A
3
1
5
m
A
3
3
.
6
µ
F
3
0
µ
F
8
.
4
µ
F
O
R
9
.
4
µ
F
9
.
4
µ
F
8
.
4
µ
F
S
Y
M
B
O
L
A
B
C

Other manuals for Daewoo DWF-6021

Related product manuals