EasyManua.ls Logo

Daewoo GDA Series - Page 20

Daewoo GDA Series
Print Icon
To Next Page IconTo Next Page
To Next Page IconTo Next Page
To Previous Page IconTo Previous Page
To Previous Page IconTo Previous Page
Loading...
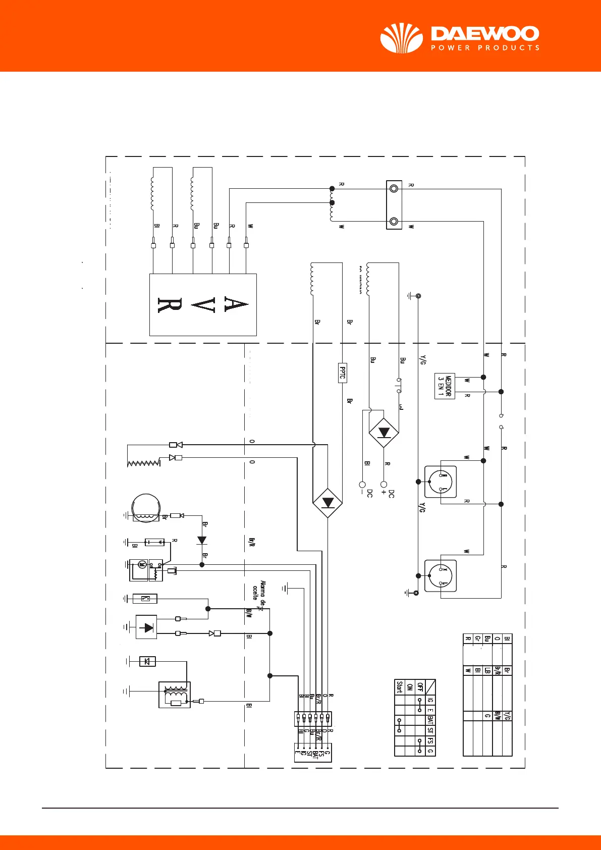
DIAGRAMA DE ESQUEMA 2 - ARRANQUE ELÉCTRICO, MONOFÁSICO
19
MOTOR
ALTERNADOR
PANEL DE CONTROL
DIAGRAMA DE CABLEADO DE GENERADOR 220 V/230 V/240 V
BUJÍA
BOBINA DE ENCENDIDO
SENSOR DE ACEITE
SWITCH DE MOTOR
CONEXIÓN DEL INTERRUPTOR DEL MOTOR
NEGRO
NEGRO
NARANJA
AZUL
GRIS
ROJO
BLANCO
CELESTE VERDE
MARRÓN
MARRÓN/ROJO BLANCO/NEGRO
AMARILLO/VERDE
INTERRUPTOR
INTERRUPTOR
BOBINADO DC
ESTATOR DE
EMBOBINADO
ROTOR DE EMBOBINADO
EXCITACIÓN DE EMBOBINADO
VÁLVULA SOLENOIDE DE COMBUSTIBLE
MOTOR
BOBINA DE
CARGA
BATERÍA

Related product manuals