EasyManua.ls Logo

Daewoo HC-4130X - Page 38

Daewoo HC-4130X
67 pages
Print Icon
To Next Page IconTo Next Page
To Next Page IconTo Next Page
To Previous Page IconTo Previous Page
To Previous Page IconTo Previous Page
Loading...
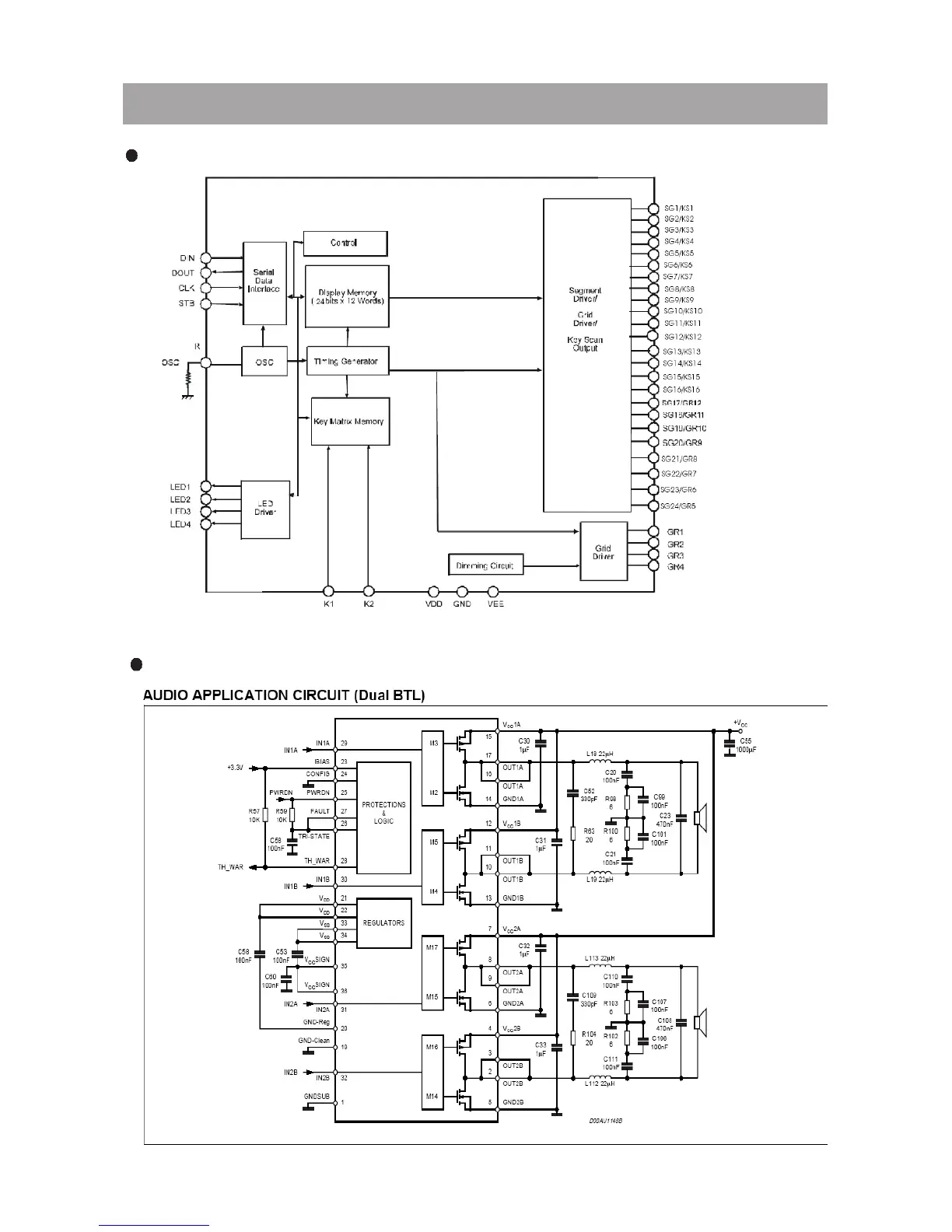
STA505
8. Internal Block Diagram of ICs
36
PT6315

Related product manuals