EasyManua.ls Logo

Daewoo KOG-3605 - Door Open Circuit Actions

Daewoo KOG-3605
30 pages
Print Icon
To Next Page IconTo Next Page
To Next Page IconTo Next Page
To Previous Page IconTo Previous Page
To Previous Page IconTo Previous Page
Loading...
13
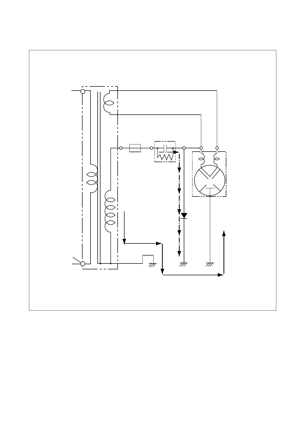
HIGH VOLTAGE
TRANSFORMER
H.V.
CAPACITOR
MAGNETRON
RD RD
H.V.
DIODE
H.V
FUSE
3. When the door is opened during cooking.
Primary interlock switch and secondary interlock switch open to cut off the primary voltage to the high voltage
transformer to stop microwave oscillation.
• Fan motor, timer motor and turntable motor stop rotating.
• Oven lamp turn off.
• As soon as the door is opened, monitor switch close(NC) to create the short circuit.
If the contacts of primary interlock switch and secondary interlock switch are both malfunction, the 15A fuse
blows open due to the large current surge caused by monitor switch activation.
Fig.2

Related product manuals