EasyManua.ls Logo

Daewoo KOR-137B - Technical Diagrams; Wiring Diagram

Daewoo KOR-137B
32 pages
Print Icon
To Next Page IconTo Next Page
To Next Page IconTo Next Page
To Previous Page IconTo Previous Page
To Previous Page IconTo Previous Page
Loading...
23
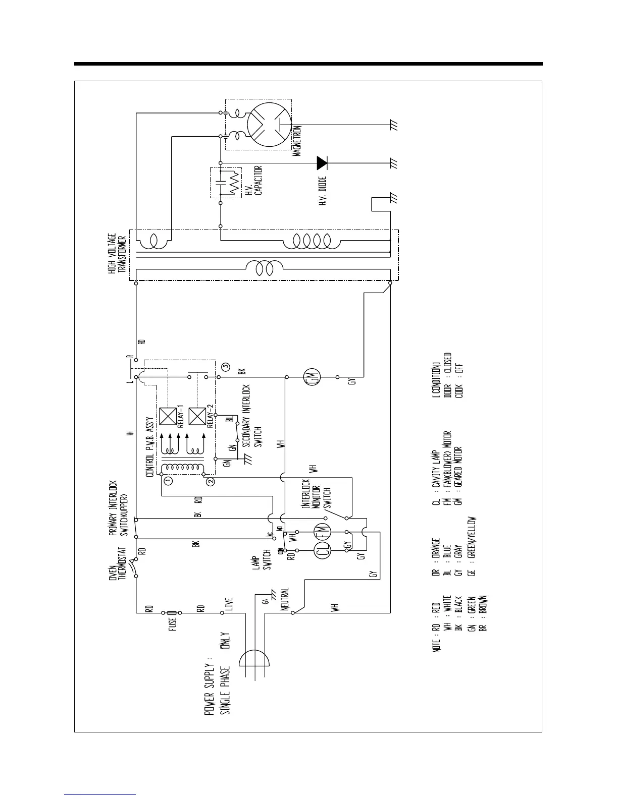
WIRING DIAGRAM
S/N : 3513508100

Related product manuals