EasyManua.ls Logo

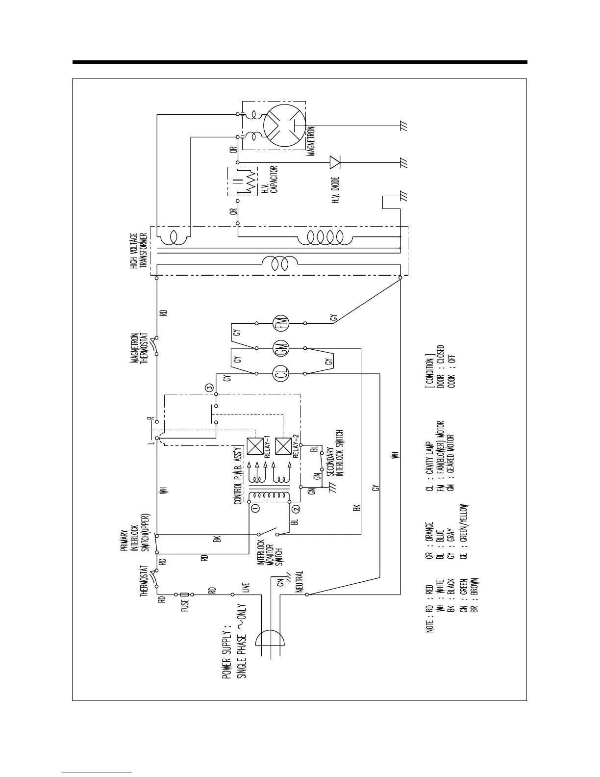
Daewoo KOR-180A2A - Wiring Diagram; Oven Wiring Schematic

Daewoo KOR-180A2A
37 pages
Print Icon
To Next Page IconTo Next Page
To Next Page IconTo Next Page
To Previous Page IconTo Previous Page
To Previous Page IconTo Previous Page
Loading...
27
WIRING DIAGRAM

Related product manuals